EasyManua.ls Logo

Coates CE SERIES - Model CPH Three Phase Wiring Diagram (480 V, 24-30 kW); Model PHS Three Phase Wiring Diagram (480 V, 36 kW)

Coates CE SERIES
16 pages
Print Icon
To Next Page IconTo Next Page
To Next Page IconTo Next Page
To Previous Page IconTo Previous Page
To Previous Page IconTo Previous Page
Loading...
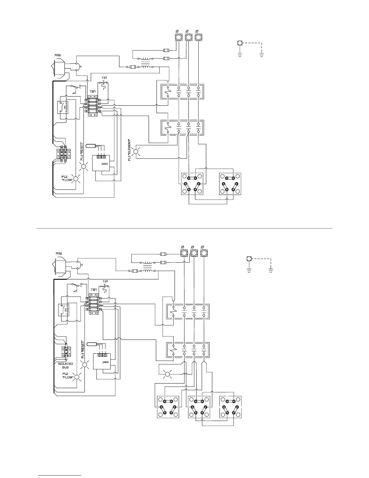
TB1 FOR REMOTE TEMPERATURE CONTROL (IF USED).
GROUND
POOL
GROUND
ENCLOSURE
TERMINAL
HEATER GROUND
SEE INSTRUCTION MANUAL FOR COMPONENT
THREE PHASE
480V – 36kW
2.
WW
RB
RB
IDENTIFICATION.
3. ALL WIRING TO BE 105°C INSULATED, MINIMUM.
CONTROL CIRCUIT WIRING; 14 AWG.
POWER CIRCUIT WIRING; AS NOTED.
B = BLACK
R = RED
LEGEND;4.
W = WHITE
#8
HEATING ELEMENTS
PL3 "ELEMENT"
MODEL PHS
F5
F5
BR
BR
WW
3J36H
1.
C
BA
#8 #8
#8
#8
#8
CR7
COIL
CR7
COIL
#8
#8
#8
#10
#10
#10
BR
BR
WW
X3 X1
240V
T5
F6
XF
#2
BRASS
#1
COPPER
#3
ALUMINUM
1
234
NO COM
K8
FLOW
J4
J3
TS3
J1
J2
AC
AC
CNO
J9
B
W R
TEMP
TB1 FOR REMOTE TEMPERATURE CONTROL (IF USED).
CR7
CR7
GROUND
POOL
GROUND
ENCLOSURE
TERMINAL
HEATER GROUND
SEE INSTRUCTION MANUAL FOR COMPONENT
THREE PHASE
480V – 24 & 30kW
2.
COIL COIL
WW
RB
RB
IDENTIFICATION.
3.
ALL WIRING TO BE 105°C INSULATED, MINIMUM.
CONTROL CIRCUIT WIRING; 14 AWG.
POWER CIRCUIT WIRING; AS NOTED.
B = BLACK
R = RED
LEGEND;4.
W = WHITE
#8
HEATING ELEMENTS
MODEL CPH
F5
F5
BR
BR
WW
5. HEATING ELEMENT QTY/RATING
24kW = 2 @ 12kW
30kW = 2 @ 15kW
#10
3J2430H
1.
C
BA
#8 #8
#10
#10
#8
#8 #8
#8
#8 #8
X3 X1
240V
T5
F6
XF
#2
BRASS
#1
COPPER
#3
ALUMINUM
1
234
NO COM
K8
FLOW
J4
J3
TS3
J1
J2
AC
AC
CNO
J9
B
W R
TEMP
ISOLATED
BUS
Page 14

Related product manuals