EasyManua.ls Logo

COLLARD PROFILMATIC 2000 A - Page 37

Default Icon
39 pages
Print Icon
To Next Page IconTo Next Page
To Next Page IconTo Next Page
To Previous Page IconTo Previous Page
To Previous Page IconTo Previous Page
Loading...
4
3
8
6
7
2
A
B
C
D
P
T
T
P
Dr
T
Dr
6
7
8
9
10
11
12
13
14
15
14
15
13
12
10
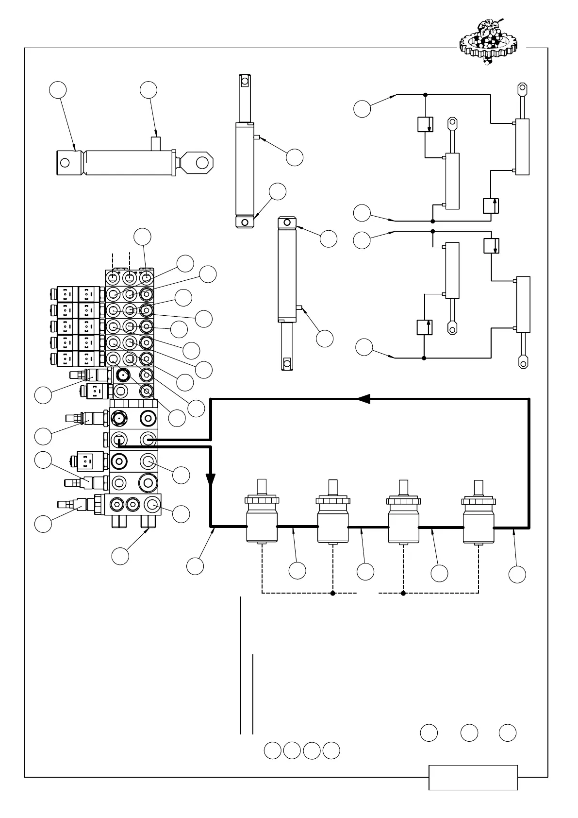
P2000 A
Electric control
Hydraulic
scheme
11
A
B
C
D
Hydraulic components
adjustments :
Flow : 40 L/min
Flow : 5 L/min
Pressure : 180 bar
Pressure : 120 bar
Gap
adjustment
L/H
Height
adjustment
Feeding flow from
the pump
Return flow to the
tractor distributor
Drainage flow return
(direct to the tank)
1
5
9
Deployment
adjustment
R/H
Deployment
adjustment
L/H
Gap
adjustment
R/H
PL 4609