EasyManua.ls Logo

Collins 516F-2 - Modification Procedures; Filament Winding Isolation; Dropping Resistor Installation; Transient Suppressor Installation

Default Icon
3 pages
Print Icon
To Next Page IconTo Next Page
To Next Page IconTo Next Page
To Previous Page IconTo Previous Page
To Previous Page IconTo Previous Page
Loading...
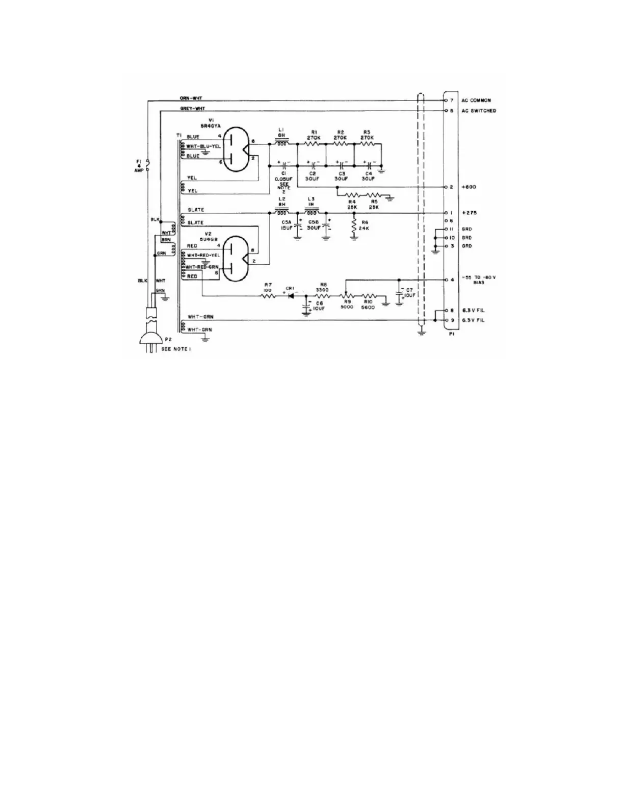
For reference, the schematic diagram of the un-altered 516F-2 power supply is shown below:
( ) Remove the yellow wire from pin #2 of V1 (5R4) and solder it to pin #5 of V1 (5R4).
( ) Remove the yellow wire from pin #8 of V1 (5R4) and solder it to pin #7 of V1 (5R4). These 2 steps isolate
the 5 VAC filament winding of the transformer as it is no longer needed.
( ) Remove the slate wire from pin #2 of V2 (5U4) and solder it to pin #5 of V2 (5U4).
( ) Remove the slate wire from pin #8 of V2 (5U4) and solder it to pin #7 of V2 (5U4). These 2 steps isolate
the 5 VAC filament winding of the transformer as it is no longer needed.
( ) Remove the blue wire from pin #2 on V2 (5U4) and solder it to pin #1 on V1 (5R4). Pin #1 of the 5R4 is not
used by the 5R4 or 516F-2. It will be used as a tie point for the dropping resistor.
( ) Mount the 200 25-watt aluminum dropping resistor to a convenient location on the chassis. Connect and
solder one end of the 200 25-W dropping resistor to pin #8 on V2 (5U4) and the other end to pin #1 on V1
(5R4) using the supplied #20 black wire.
( ) Connect the Metal Oxide Varistor (MOV) across the transformer primaries. Use one side of the fuse (ring
section, NOT tip) and rear tie point lug strip (the one with a green wire and white wire that connects to the
transformer primary windings. Note: This terminal is next to the ground terminal of the lug strip). The MOV
transient suppressor is the one that looks like a large ceramic disc capacitor. This will protect the
transformer primaries from line voltage surges.
( ) Replace the selenium bias rectifier, CR1, with the 1N5408 diode. Be sure to observe the correct polarity.
( ) Remove the old 5U4 and 5R4 tubes and replace them with the solid-state replacements.
( ) Assemble the meter protection diodes (2 x 1N4007 diodes back-to-back) according to the schematic
drawing below. This is most easily accomplished by placing the two diode bodies together (opposite
2