EasyManua.ls Logo

Collins 516F-2 - Final Adjustments

Default Icon
3 pages
Print Icon
To Previous Page IconTo Previous Page
To Previous Page IconTo Previous Page
Loading...
polarity) and wrapping the legs of one diode around the other, trimming and then soldering the wrapped
legs to the straight diode legs.
( ) Attach the meter protection diode assembly directly across the meter studs in the transceiver (KWM-2) or
transmitter (32S-1/3), whichever may be the case. This protects the meter from slamming against the pin
when first turned on. Leave any capacitor that may be connected across the meter studs.
( ) Check all of your wiring and make sure the modifications have been properly installed before applying
power. You may want to check the output voltages of the supply before re-installing in the outer cabinet.
( ) Replace the power supply chassis back in the outer cabinet and re-connect all cables and switch power on.
Adjust R-9 bias potentiometer (right rear of the supply) for proper static current on the 6146's
(approximately 40-50 mA).
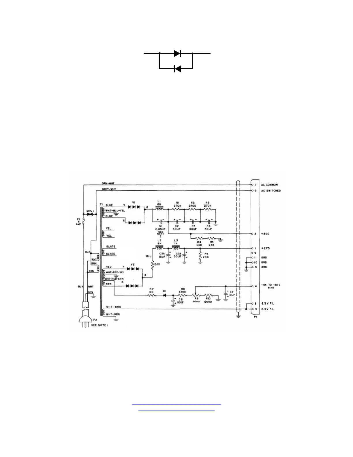
For reference, the schematic diagram of the solid-state 516F-2 power supply is shown below:
Special thanks to John May, K6MAY, for the use of this information.
HARBACH ELECTRONICS, LLC
Jeff Weinberg – W8CQ
468 County Road 620
Polk, OH 44866-9711
(419) 945-2359
http://www.harbachelectronics.com
info@harbachelectronics.com
3