EasyManua.ls Logo

Comelit Diva series - VDL;EN;183 D Porter Switchboard System Wiring Diagram

Comelit Diva series
12 pages
Print Icon
To Next Page IconTo Next Page
To Next Page IconTo Next Page
To Previous Page IconTo Previous Page
To Previous Page IconTo Previous Page
Loading...
FT CB 05
9
FT CB 05
VDL/EN/183D
GB
I
F
NL
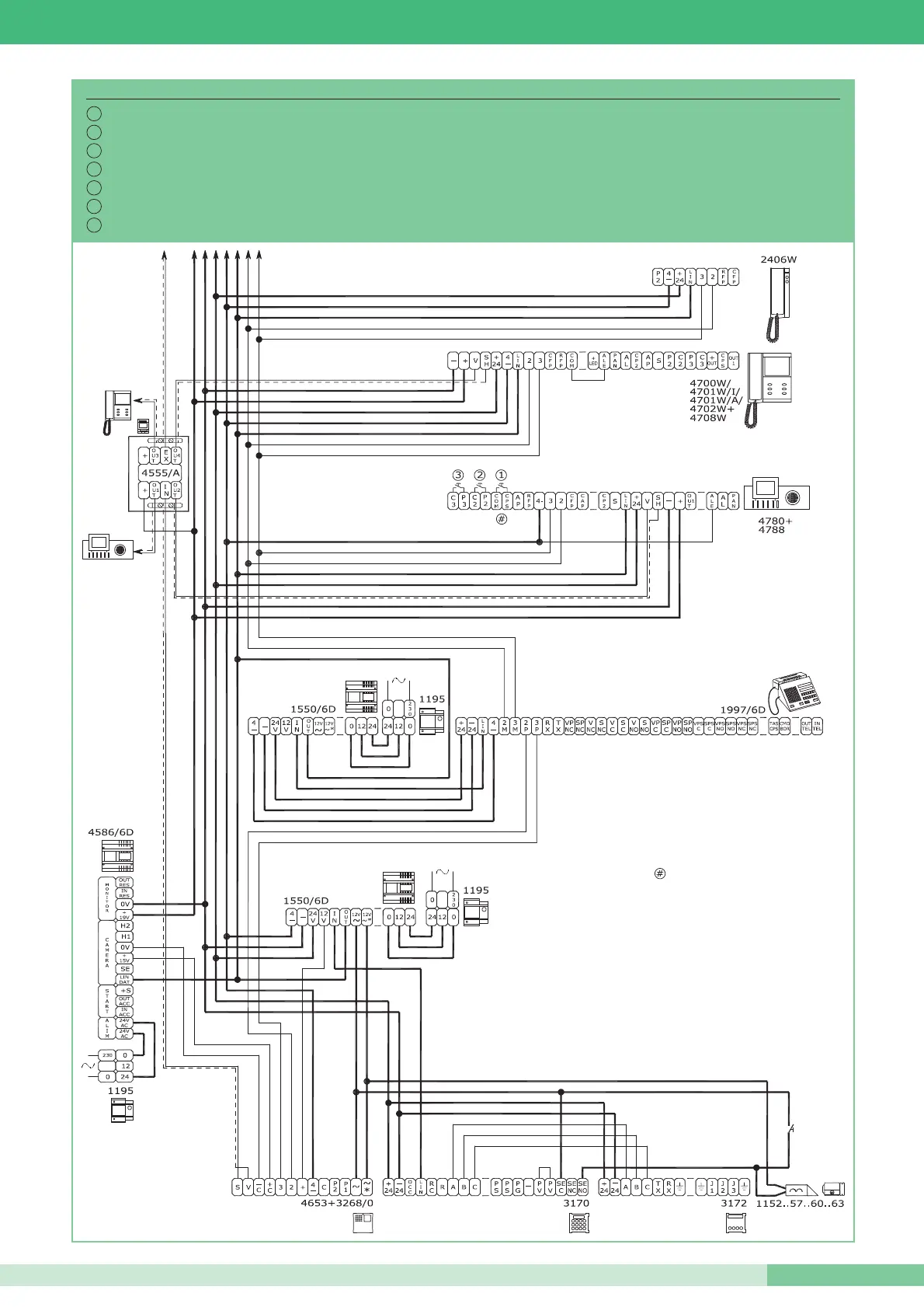
Impianto base un ingresso Audio/Video con centralino di portineria (Pulsantiera Vandalcom).
Basic system with one Audio/Video entrance with porter switchboard (Vandalcom Entrance Panel).
Installation de base une entrée Audio/Vidéo avec HP-micro (Plaque de rue Vandalcom).
Basissysteem met één Audio/Video ingang met portierscentrale (Vandalcom Entreepaneel).
Basis-System 1 Audio/Video Eingang mit Pförtnerzentrale (Tastatur Vandalcom).
Equipamento base uma entrada Áudio/Vídeo com central de chamada de portaria (Botoneira Vandalcom).
Instalación base una entrada Audio/Vídeo con central de portería (Placa de calle Valdacom).
D
P
E
Vedi variante CB/DB
See variant CB/DB
Voir variante CB/DB
Zie variant CB/DB
Siehe variante CB/DB
Ver variante CB/DB
Véase variante CB/DB

Other manuals for Comelit Diva series

Related product manuals