EasyManua.ls Logo

Commodore 1541 - Page 35

Commodore 1541
36 pages
Print Icon
To Next Page IconTo Next Page
To Next Page IconTo Next Page
To Previous Page IconTo Previous Page
To Previous Page IconTo Previous Page
Loading...
CAl6
IN41"8
+.Vsw
CRl7
IN4'48
...
9.IOK
R04
9.10k
+V1w
...
220
Rl6
220
+ C44
C43
r
3.3t'F r
0.1,F
16V
+Vlw
C42
R22
+-
+5V
+ 0.02?J,F
:~~~{-
j_J
~~
..
1
L,
I
150
C41
R23
470
tn
R27
OIO
~
C28
3
330pF
2 :
U03C
R20
lJ..
Lll311
Rl4
1/4 74LS86
470
3llO
l~~D-8-4
C34
Rl9-
r
..,
..
22K
IOOOpF'
3.'.30
+ov
+
Vee
+ov
+ov
'"~~
~Opf
22K
t
U030
1/4 741..588
16
I
2
:!}D-11-e
Vco
C
CIR
U04A
Q
1/2
9602
+'SV......_11
CLR GNif'
7
C33
3
r
680pF
+5V
.J
.j..
+..,
~
~-·
I~
2.2K
e
14
C
U048
1/2 9802.
CLR
Q
13
+5V~
+5V
...
680
+IV
+ov
...
220
P4,PWR LED
PWR
LED
PWR
LED
GND
REAO/YtfUTE
--e---
0 SEL A
0
SH
B
ON/off
>-----
BYTE
SYNC
EN
>-----
ENCODER
/DECODER
CLOCK-----
PAO
-C
..
PAI
......
PAZ
,C
...
PA3
.....
12
10
311
19
26
27
2
>J
STEPO
STEP I
117RS
CLK
YBO
YBI
YI
17
Y2
16
Y3
,.
imi
'
0 LOAD
22~BIT
SYNC
1/6
7406
+ov
R49
680
oo~;
~==========================~---------------L-•
-t>:
1
:
~
BR
~ByfE
SYNC
ij
!
SYNC
37----a,..~
3
-t:>o-
4
~----+-<
YB2
YB3
PT,
TRACK SELECT
•••-C
...
31
YB4
...
~
...
32
Y85
PA6
:4
..
34
YB6
PA7
.-
....
30
YB7
·~;L:r61A
!
LwAITE
pROf£ct
.......
+Vsw
R42
680
11-[>-,a~~-~
L02E
1/6 7417
CRl4
IN4148
...,
..
+V1w
R26
100
R29
,,,o
3
-t>-4
a,
2SAI015
UD2B
1/6
7417
R30
04
470
R37
2SA733
470
W<D
R34
R'3
V6
7417
2.2k
2.21<
9
-t>-•
-t>-•
U02C
1/6 7417
CRl8
IN4148
R35
22K
+ov
R41
470
+5V
13
.........
12------+~
"'V'""
R40
UD2F
1.5
1/6
7417
R51
91
...
22K
Q6
2SA733
UD19
1/6 74-06
+ov
R47
68C
-{>o-.
-----
UOIC
1/1
7408
+IZV
+5V
ROO
680
I I
-[:>o--1
0
-<----+-I
UOIE
1/6
7406
+ov
R31
680
CAIi
tN4002
011
2SD467
+12V
+12v
82
••
04
P5,
DRIVE
MOlOR
~---1
-[>-,
_.._
________
--I
-+12
V
OFF/ON
GNO
R39
22K
UOIA
1/6 7417
LEO
~13-t>o-12
--,v-----<
R40
UOIF
150
1/6
7408
P6.
OPTICS
ERROR/ACCESS LED
N/C
~IC
N/C
6
N/C
+ov
~-------.------112
WRITE
PROTECT
R44
1001<
+5V
7 NIC
10
N/C
8 +
5V
NIC
14
N/C
NIC
WRITE
PROTECT
LED
GNO
GNO
PB,
READ/WRITE
._-------olf---9'--+-------t
I HEAD A
------+-------..i---+-------1
5 HEAD B
2
kEY
L...1----+-----------+-------t
3 BIAS
L-----------------+-----+------------t-------1
4 BIAS
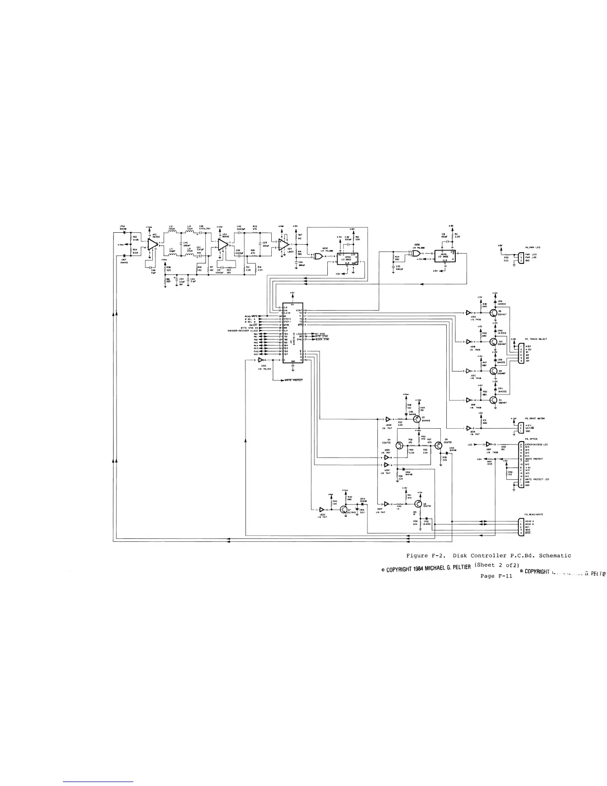
Figure
F-2.
Disk
Controller
P.C.Bd.
Schematic
2
@
COPYRIGHT
1984
MICHAEL
G.
PEL
TtER
(Sheet
of
2)
@
COPYRIGHT
iw.
Page
F-11
'
...........
_.
11.
PH
TIE

Other manuals for Commodore 1541

Related product manuals