EasyManua.ls Logo

Compaq MV-920 - Page 61

Compaq MV-920
97 pages
Print Icon
To Next Page IconTo Next Page
To Next Page IconTo Next Page
To Previous Page IconTo Previous Page
To Previous Page IconTo Previous Page
Loading...
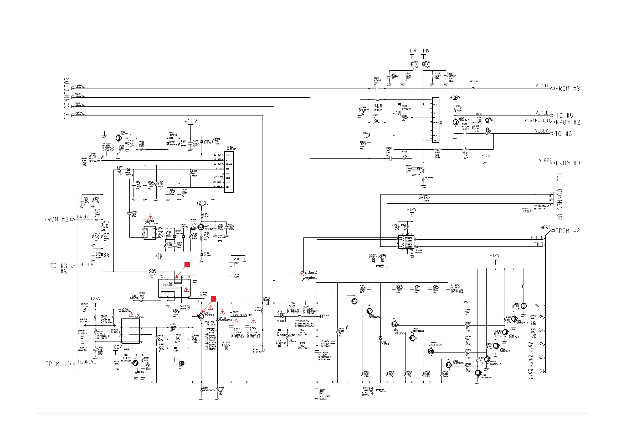
10 Schematic Diagrams
10-7 PG17**/PG19**/PG21**
10-4 HORI & VERTICAL Part Schematic Diagram

Related product manuals