EasyManua.ls Logo

Comprag F Series - Page 12

Comprag F Series
108 pages
Print Icon
To Next Page IconTo Next Page
To Next Page IconTo Next Page
To Previous Page IconTo Previous Page
To Previous Page IconTo Previous Page
Loading...
12 Version 1.4
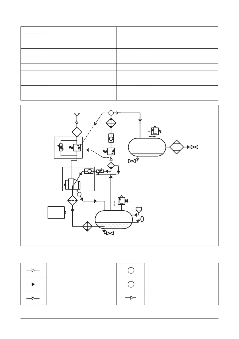
Fig. 2.3.2 Function diagram FR07..-FR22.., FRD07..-FRD22..
Main components
1 Electric motor 11 Min. Pressure valve
2 Belt drive 12 Non-return valve
3 Air end 13 Heat-exchanger, Air section
4 Air lter 14 Heat-exchanger, Oil section
5 Intake valve 16 Oil lter
6 Air-Oil separation tank 17 Drain valve
7 Safety valve 18 Oil lling plug
8 Air-Oil separator 19 Oil level sight glass
9 Throttle valve 20 Air outlet valve
10 Non-return valve
Т
Р
Air ow
Т
Р
Temperature sensor
Т
Р
Oil ow
Т
Р
Pressure sensor
Т
Р
Air/Oil mix ow
Т
Р
Pneumatic control line
M
1
2
3
6
7
8
11
12
9
10
13
20
4
5
18
14
16
17
19
P
T
7
17
22
21
слив конденсата
к потребителю
to the user
condensate drainage

Related product manuals