EasyManua.ls Logo

Corghi A 2010 - Page 29

Corghi A 2010
60 pages
Print Icon
To Next Page IconTo Next Page
To Next Page IconTo Next Page
To Previous Page IconTo Previous Page
To Previous Page IconTo Previous Page
Loading...
A 2019 - A 2010 - A 2001 S
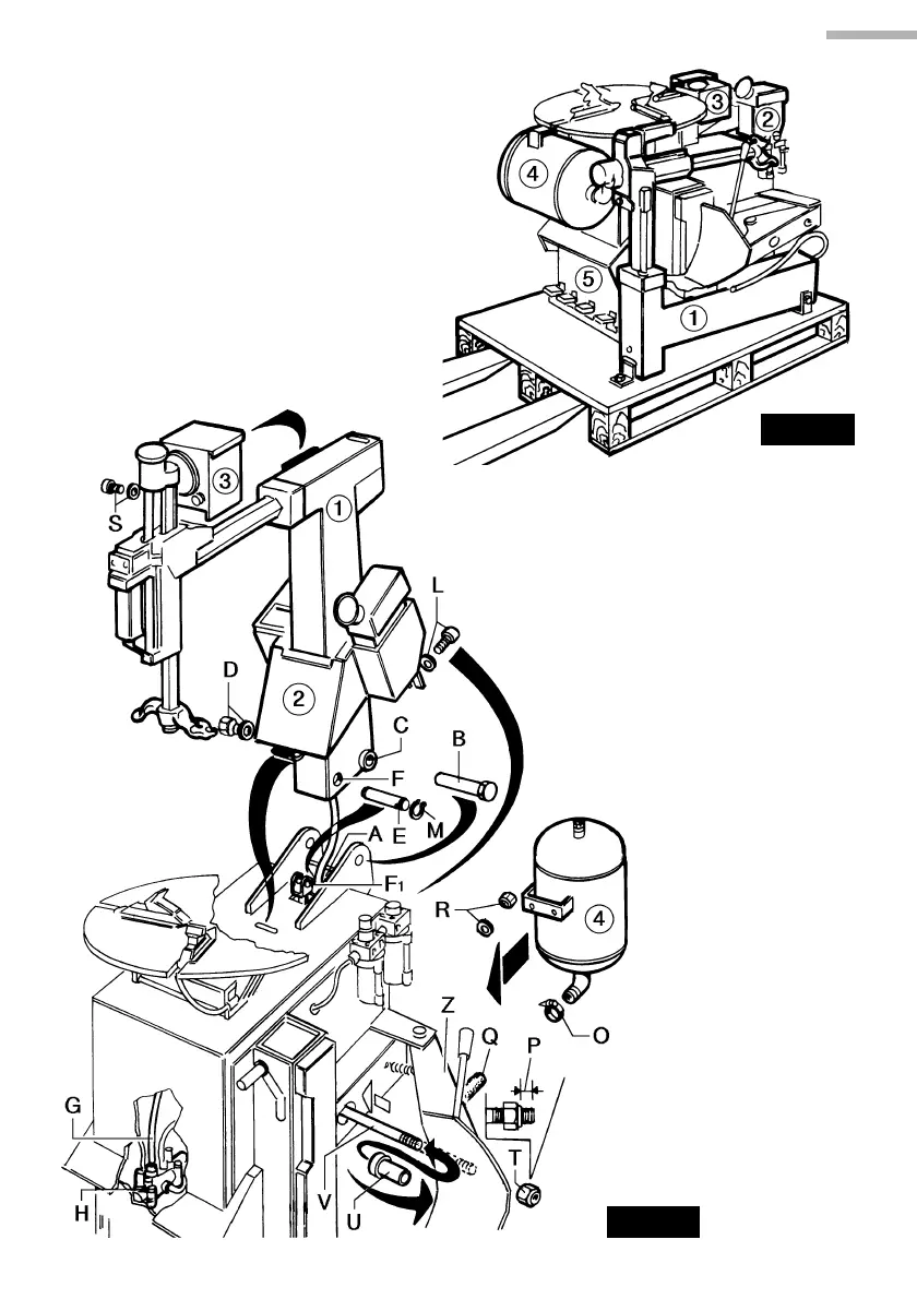
Fig. 2
Fig. 1

Related product manuals