EasyManua.ls Logo

Corghi A 2010 - Page 40

Corghi A 2010
60 pages
Print Icon
To Next Page IconTo Next Page
To Next Page IconTo Next Page
To Previous Page IconTo Previous Page
To Previous Page IconTo Previous Page
Loading...
A 2019 - A 2010 - A 2001 S
3phCod. 446694_2
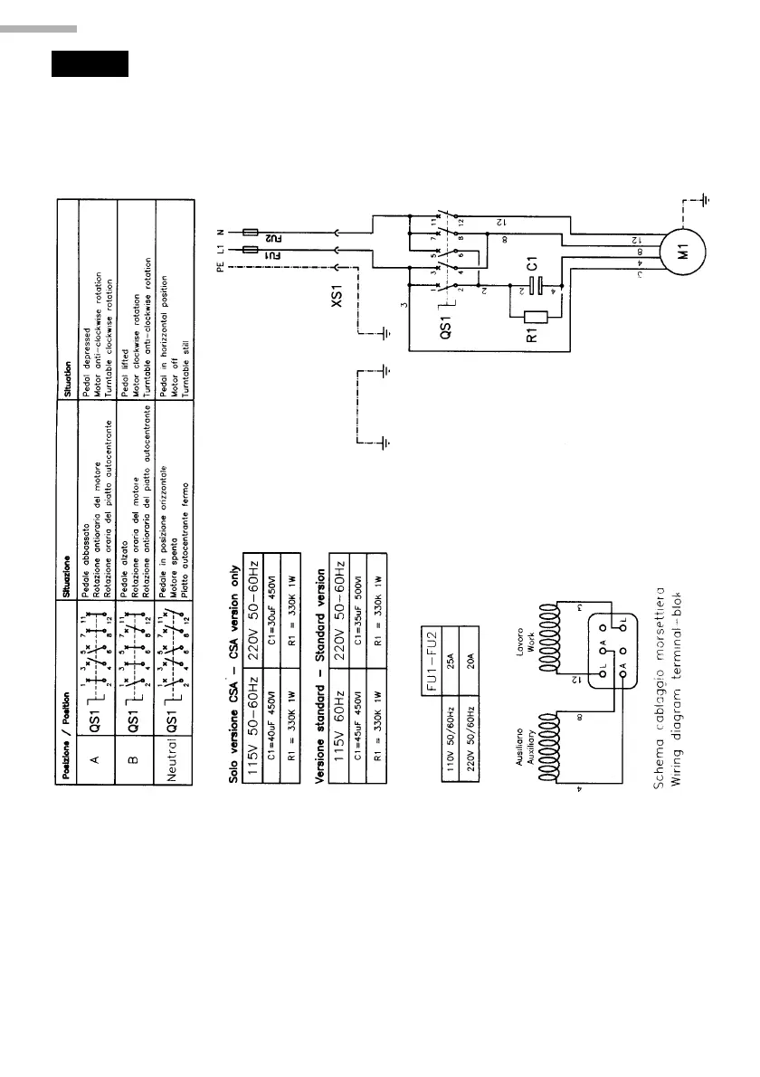
Fig. 27

Related product manuals