EasyManua.ls Logo

Cornelius Energize 3 - Page 28

Cornelius Energize 3
33 pages
Print Icon
To Next Page IconTo Next Page
To Next Page IconTo Next Page
To Previous Page IconTo Previous Page
To Previous Page IconTo Previous Page
Loading...
 Energize R134a 60Hz
Manual operation undercounter cooler
Energize R134a 60Hz
Page 28
Cornelius Deutschland GmbH
Document no: TD1005601EN
Version A, 24.09.2019, Index 0
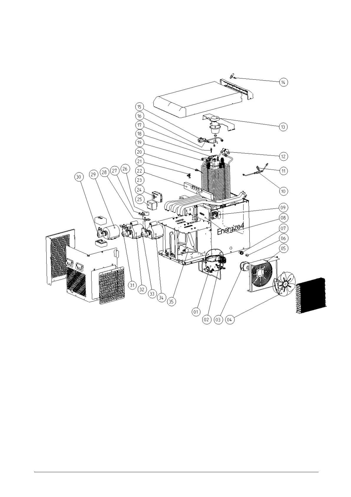
13.2 Energize 4

Table of Contents

Other manuals for Cornelius Energize 3

Related product manuals