EasyManua.ls Logo

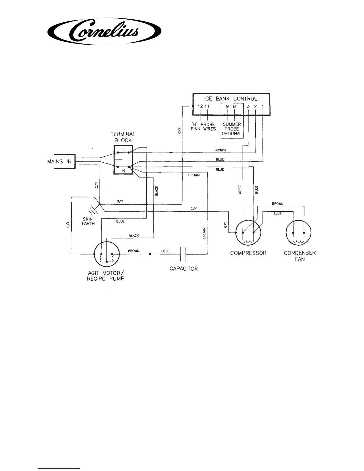
Cornelius SUPER ASTRA - Wiring Diagram 240 V

Cornelius SUPER ASTRA
11 pages
Print Icon
To Next Page IconTo Next Page
To Next Page IconTo Next Page
To Previous Page IconTo Previous Page
To Previous Page IconTo Previous Page
Loading...
®
9
SUPER ASTRA
8.2. WIRING DIAGRAM 240V