EasyManua.ls Logo

COX A14011M - Drive Components

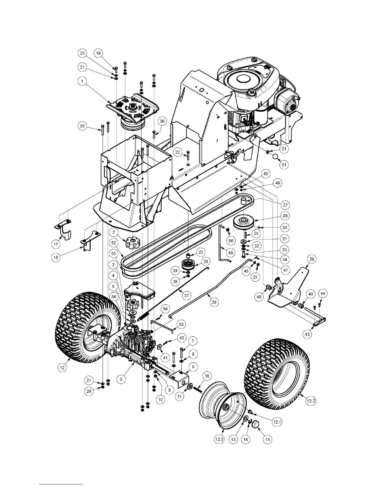
COX A14011M
50 pages
Print Icon
To Next Page IconTo Next Page
To Next Page IconTo Next Page
To Previous Page IconTo Previous Page
To Previous Page IconTo Previous Page
Loading...
11 June 2015 Page 20 Rev6 05/04/13
Owners Manual for Lawn Boss Models A14011M A14111M
Drive Components

Related product manuals