EasyManua.ls Logo

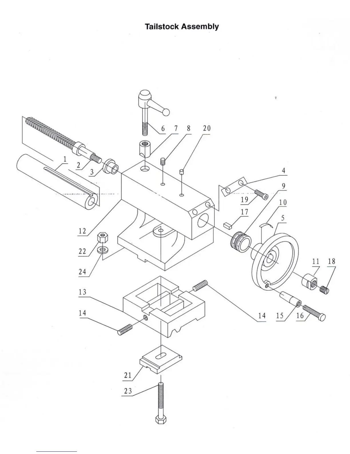
Craftex CT039 - Tailstock Assembly Diagram; Exploded View of Tailstock Components

Default Icon
46 pages
Print Icon
To Next Page IconTo Next Page
To Next Page IconTo Next Page
To Previous Page IconTo Previous Page
To Previous Page IconTo Previous Page
Loading...

Related product manuals