EasyManua.ls Logo

Craftsman 37404 - Briggs & Stratton Engine Parts; Engine Component Diagrams

Craftsman 37404
48 pages
Print Icon
To Next Page IconTo Next Page
To Next Page IconTo Next Page
To Previous Page IconTo Previous Page
To Previous Page IconTo Previous Page
Loading...
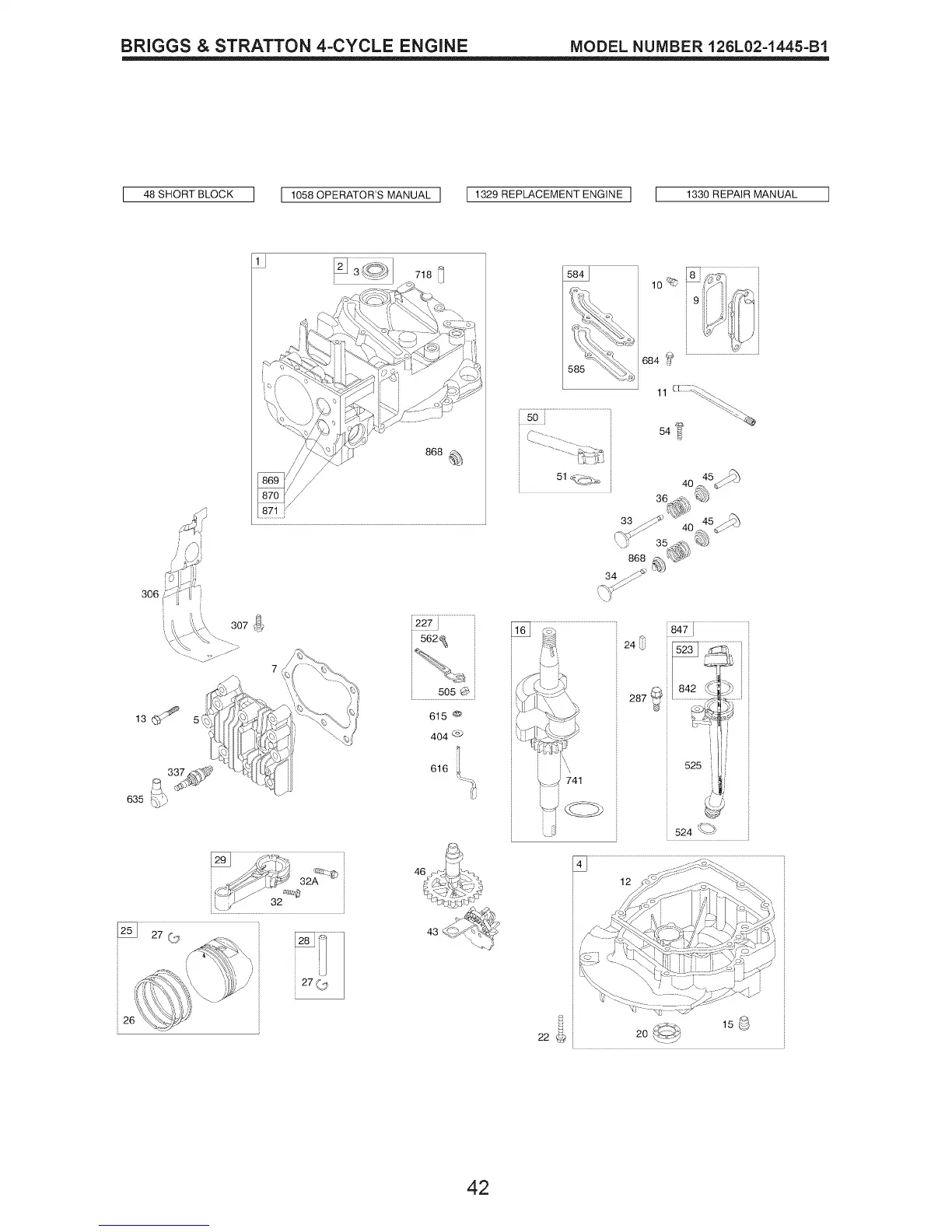
BRIGGS & STRATTON 4-CYCLE ENGINE MODEL NUMBER 126L02-1445-B1
48 SHORT BLOCK
306
u
I 1058 OPERATOR'S MANUAL I 1329 REPLACEMENT ENGINE I [ 1330 REPAIR MANUAL
868
635
i, _ 307 _? _] ................................
i 562_
j ....
616
287 _
d
ih'i
525
524 _-_%
L_!*
/_;--_ _ 15_
42

Related product manuals