EasyManua.ls Logo

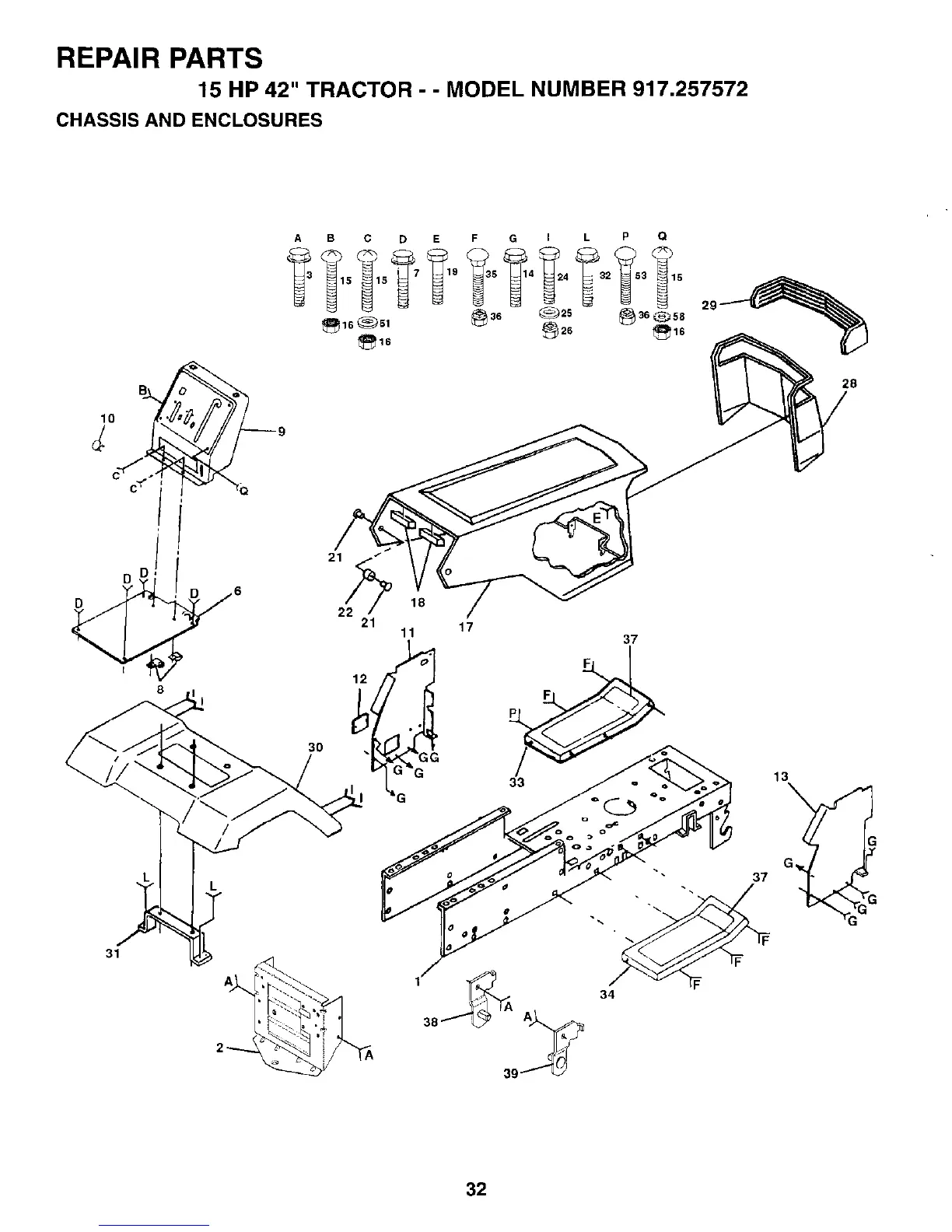
Craftsman 917.257572 - Chassis and Enclosure Parts

Craftsman 917.257572
28 pages
Print Icon
To Next Page IconTo Next Page
To Next Page IconTo Next Page
To Previous Page IconTo Previous Page
To Previous Page IconTo Previous Page
Loading...