EasyManua.ls Logo

Craftsman 917.273421 - Ground Drive

Craftsman 917.273421
64 pages
Print Icon
To Next Page IconTo Next Page
To Next Page IconTo Next Page
To Previous Page IconTo Previous Page
To Previous Page IconTo Previous Page
Loading...
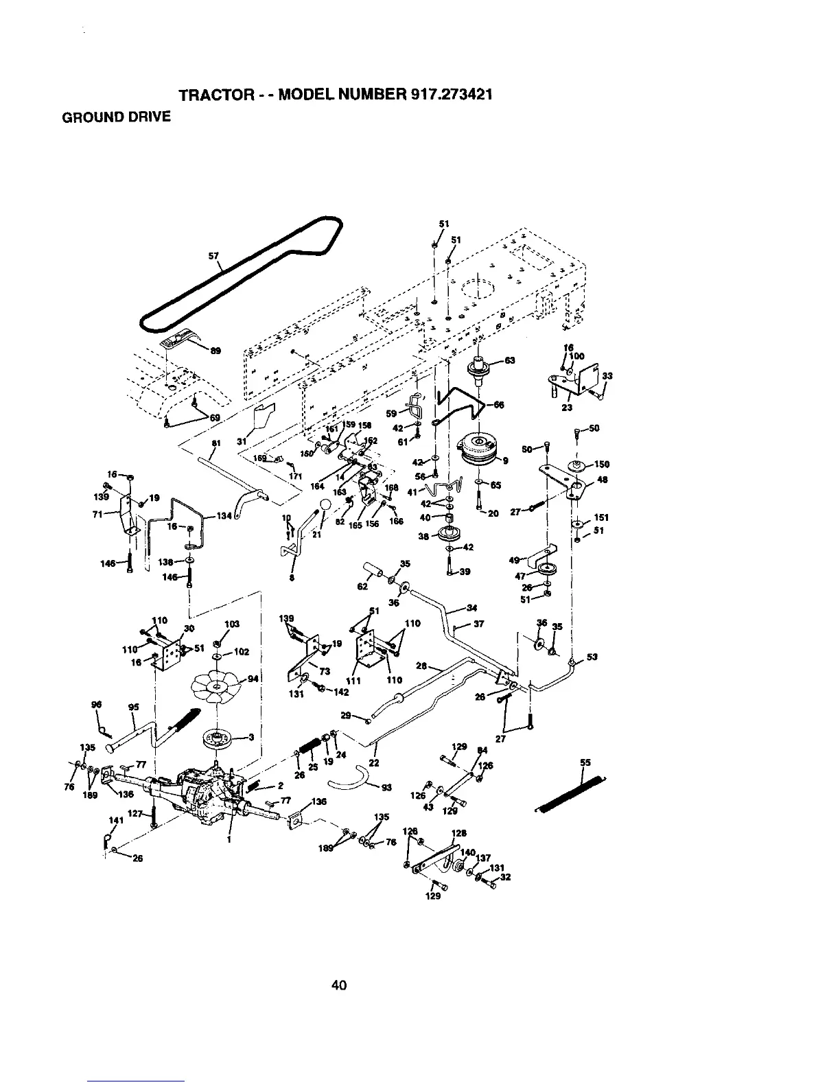
TRACTOR - - MODEL NUMBER 917.273421
GROUND DRIVE
189
/ _..
27
93 1
135
1 128
1 76
31
129
4O

Related product manuals