EasyManua.ls Logo

Craftsman 917.27621 - Ground Drive

Craftsman 917.27621
56 pages
Print Icon
To Next Page IconTo Next Page
To Next Page IconTo Next Page
To Previous Page IconTo Previous Page
To Previous Page IconTo Previous Page
Loading...
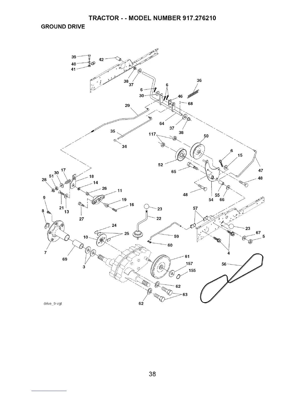
TRACTOR - - MODEL NUMBER 917,276210
GROUND DRIVE
7
69
/
37
38
65
48
54
57
157
155
62
66
6
15
23
67
drive 9-vgt
62
38

Related product manuals