EasyManua.ls Logo

Craftsman 917.377521 - Briggs & Stratton

Craftsman 917.377521
48 pages
Print Icon
To Next Page IconTo Next Page
To Next Page IconTo Next Page
To Previous Page IconTo Previous Page
To Previous Page IconTo Previous Page
Loading...
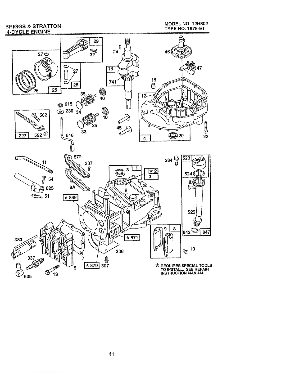
BRIGGS & STRATTON
,,4-CYCLE ENGINE ...................................................................................
..........._i 29-1
%_o_® _4 _o_
% sl
TYPE NO, 1978-E1
MODEL NO. 12H802
:284
22
5
7
307
306
_r REQUIRES SPECIAL TOOLS
TO INSTALL, SEE REPAIR
INSTRUCTION MANUAL.
41

Related product manuals