EasyManua.ls Logo

Craftsman 917.378521 - Lawnmower Component Diagrams and Parts Lists

Craftsman 917.378521
48 pages
Print Icon
To Next Page IconTo Next Page
To Next Page IconTo Next Page
To Previous Page IconTo Previous Page
To Previous Page IconTo Previous Page
Loading...
29
33
19
81
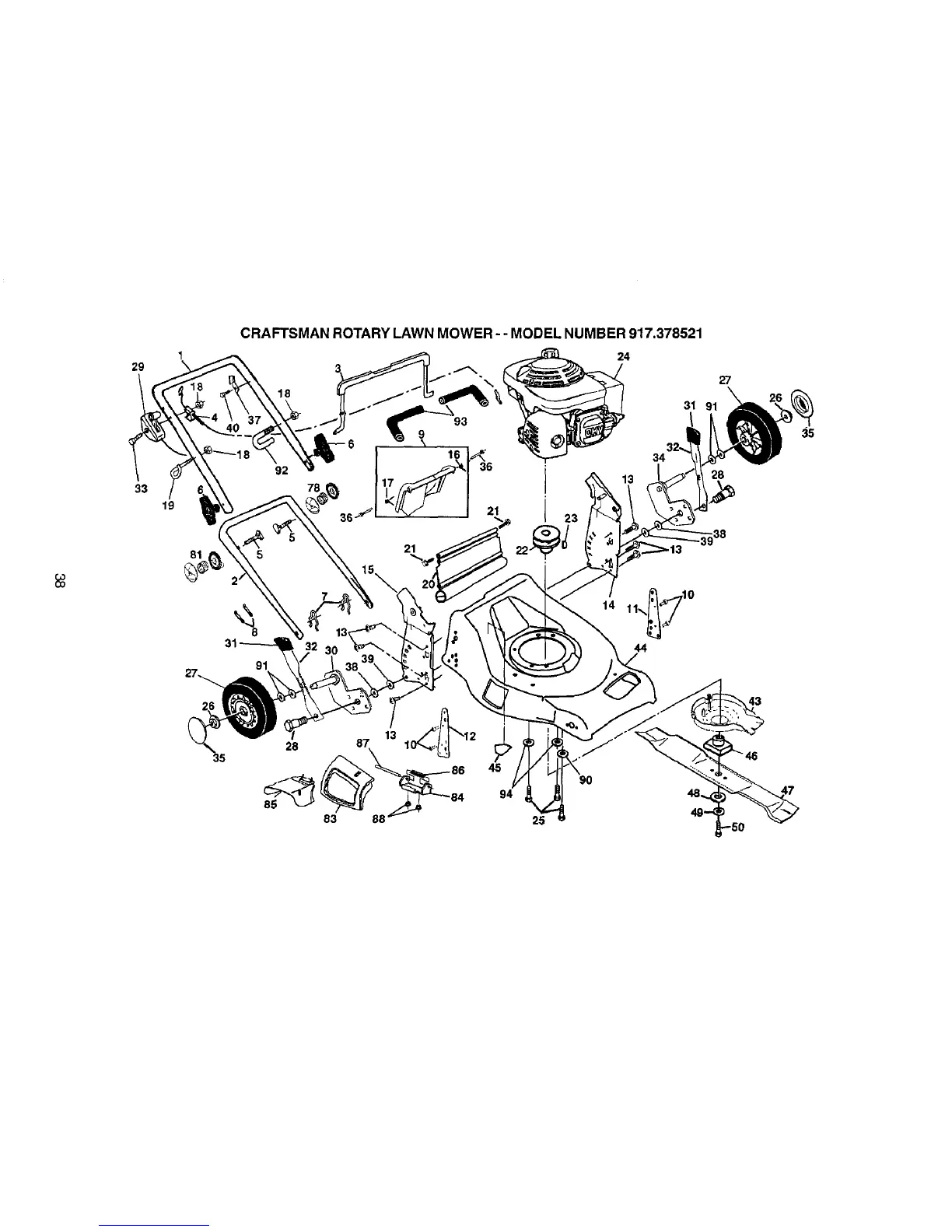
CRAFTSMAN ROTARY LAWN MOWER - - MODEL NUMBER 917.378521
5
18
92
21
i 23
24
27
31 91
34
28
38
91
7
14
44
35
13 /_12
83_y86 45
85_2_ 84 94
25

Related product manuals