EasyManua.ls Logo

Craftsman 919.167621 - Page 24

Craftsman 919.167621
48 pages
Print Icon
To Next Page IconTo Next Page
To Next Page IconTo Next Page
To Previous Page IconTo Previous Page
To Previous Page IconTo Previous Page
Loading...
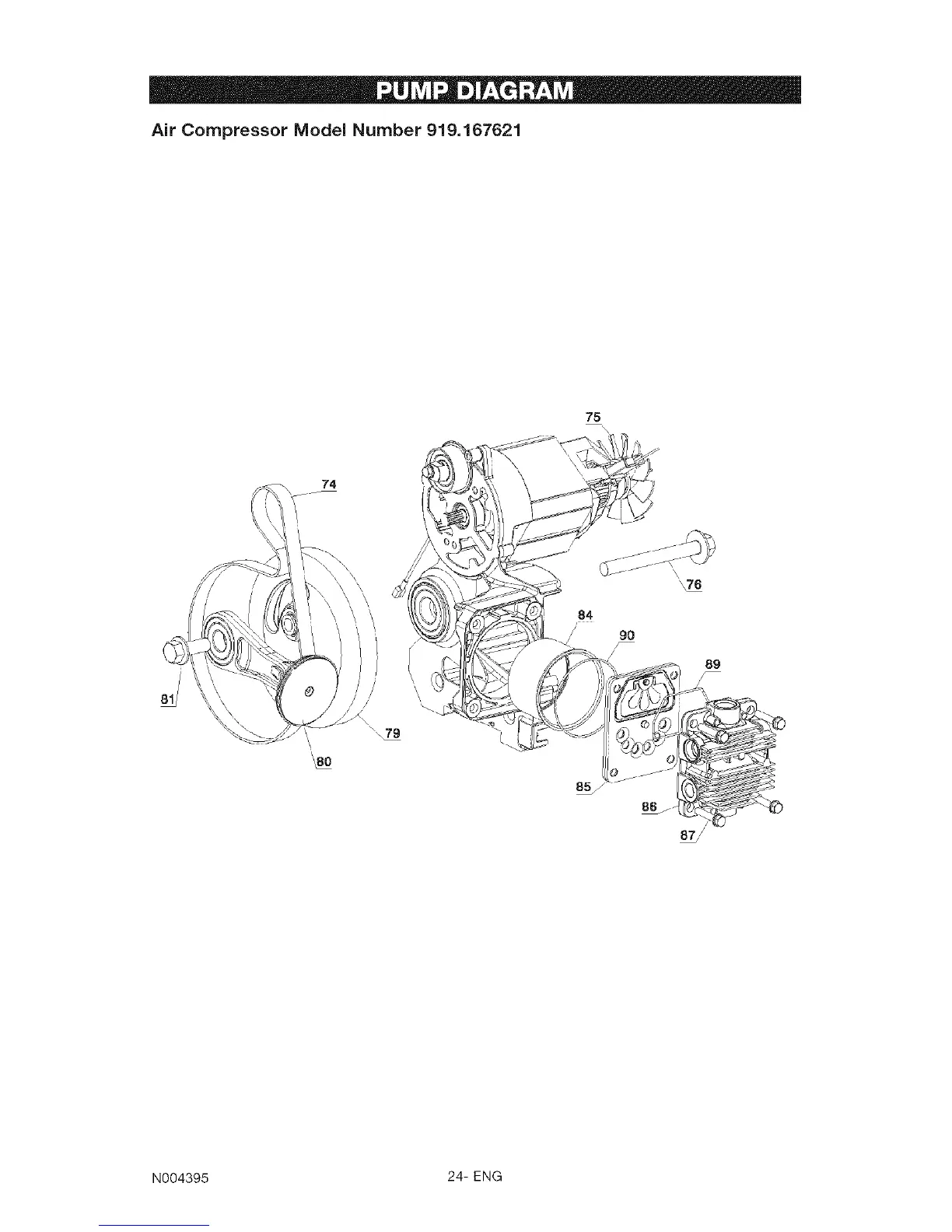
Air Compressor Model Number 919.167621
75
74
\
\76
84
90
/
89
/
'BLBO
\\ 7,9
N004395 24-ENG

Related product manuals