EasyManua.ls Logo

Cresta DTX500 - Page 7

Cresta DTX500
Print Icon
To Next Page IconTo Next Page
To Next Page IconTo Next Page
To Previous Page IconTo Previous Page
To Previous Page IconTo Previous Page
Loading...
LCD
LCD
LCD
LCD OVERZICHT
OVERZICHT
OVERZICHT
OVERZICHT
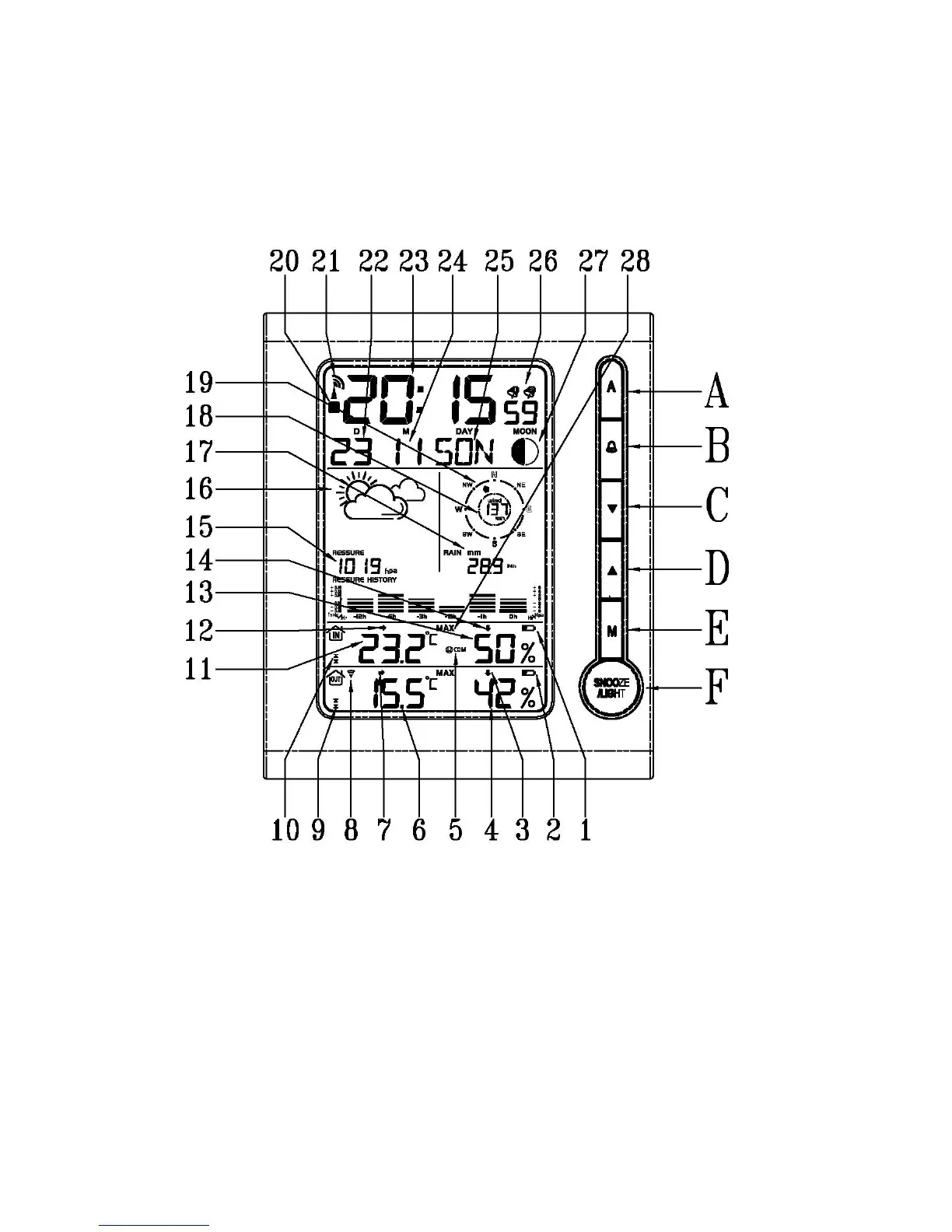
1. Binnenshuis batterij indicatie 2. Buitenshuis batterij indicatie 3. Buiten vochtigheid trend 4.
Buiten luchtvochtigheid 5. Comfort indicatie 6. Buitentemperatuur 7. Buiten temperatuur
trend 8. RF symb o ol 9. Buiten temperatuur alert 10. Binnen temperatuur alert 11. Binnen
temperatuur 12. Binnen temperat u ur trend 13. Binnen
luchtvochtigheid 14. Binnen luchtvochtigheid trend 15. Luchtdruk
16.W eersverwachting 17. R egenval 18. Wind s nelheid 19. Wind richting 20. Zomertijd
21. RCC symb o ol 22. Dat um 23. T ijd 24. M aand 25. Weekdag 26. Dual alarm
27.M aanfase
A = Alert, B = Alarm, C= keuze NEER, D= keuze OP, E = Mode, F = Sluimerfunctie/verlichting

Related product manuals