EasyManua.ls Logo

Cross Technologies 450R - Page 28

Default Icon
32 pages
Print Icon
To Next Page IconTo Next Page
To Next Page IconTo Next Page
To Previous Page IconTo Previous Page
To Previous Page IconTo Previous Page
Loading...
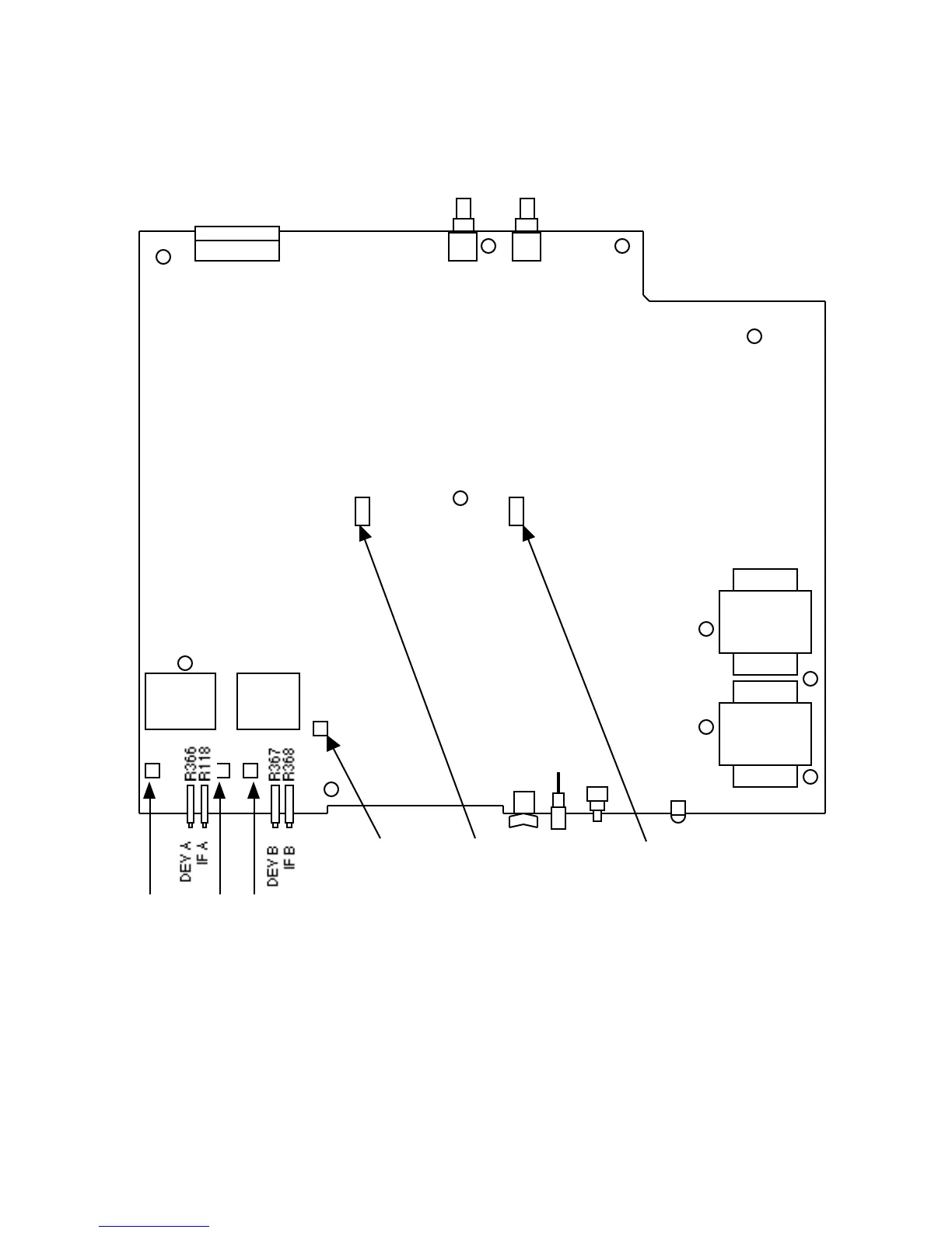
Figure 4-1
Transmitter Jumper Block Locations.
450 Operation Manual Rev A Page 28 8/26/99
P3
PPL
P2
IMPED
S3
P8
EMPH
P5
PPL
P4
IMPED
P9
EMPH
S2
DS1
T1
T2
J1J2
TB1
P9
P8
P4
P3 P2 P5
T3 T4
TB1
AUDIO - ALM
J1
IN
J2
OUT
S1