EasyManua.ls Logo

CROSSRC PG4L - Page 29

CROSSRC PG4L
39 pages
Print Icon
To Next Page IconTo Next Page
To Next Page IconTo Next Page
To Previous Page IconTo Previous Page
To Previous Page IconTo Previous Page
Loading...
31
40
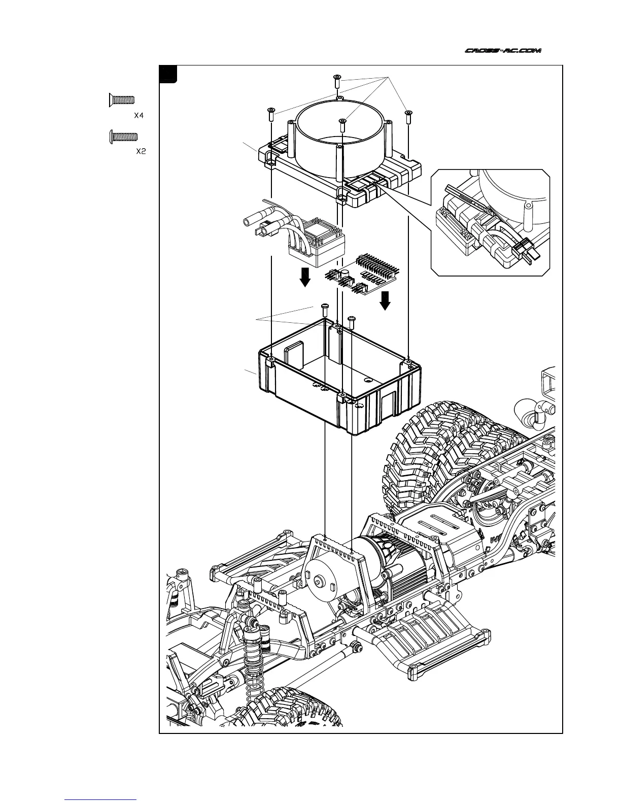
11306
M3x10
11306
22904
22905
11207
28
11207
M3x10

Related product manuals