EasyManua.ls Logo

Crunch CR-8A - Power Connection and Safety; Battery Disconnection and Fusing; Grounding and Remote Turn-On Wiring; Power Cable Routing and Connection Tightness

Crunch CR-8A
4 pages
Print Icon
To Next Page IconTo Next Page
To Next Page IconTo Next Page
To Previous Page IconTo Previous Page
To Previous Page IconTo Previous Page
Loading...
REMOTE
LPF GAIN
INPUT
PHASE
SHIFT
R L
+12VGNDR+L+
+12VGND
REM
OUT
R-L-
REM
IN
30Hz 150Hz MIN MAX
0
180
POWER
R-
L-
L+
R+
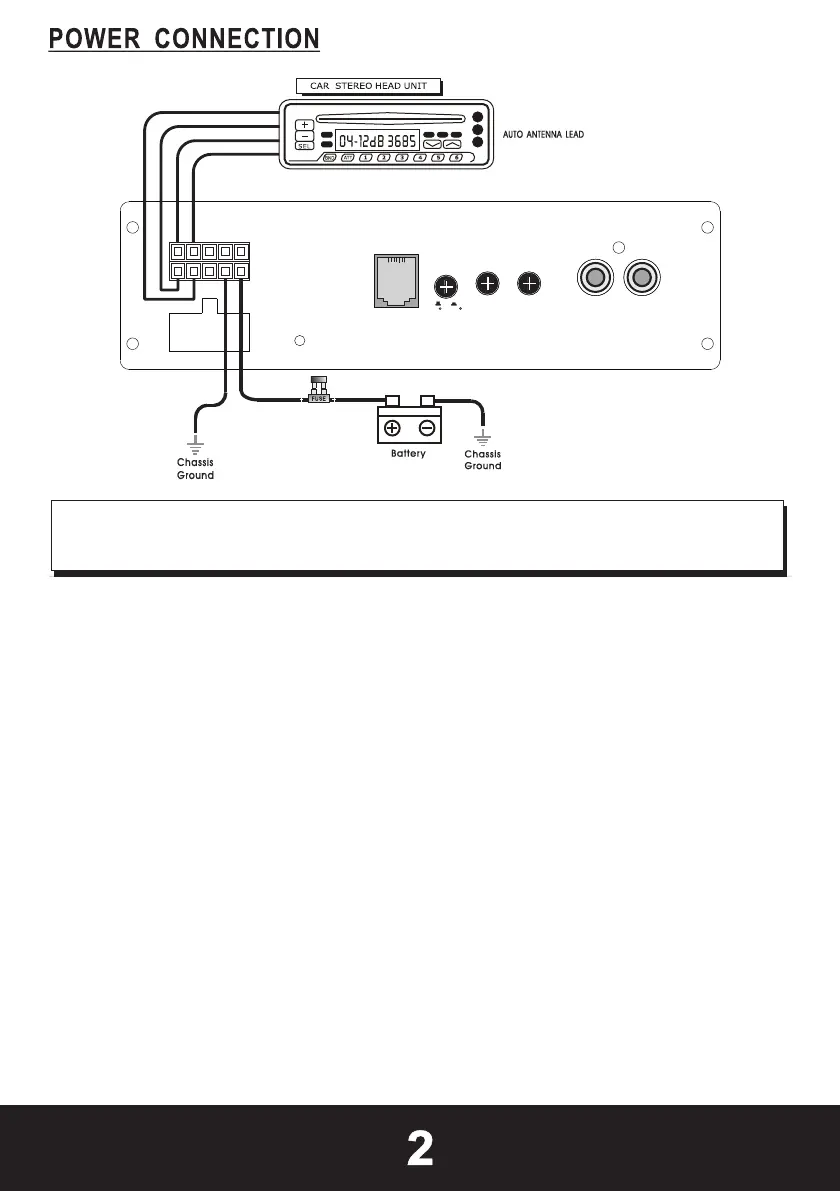
The +12V DC Power cable should be a heavy gauge stranded copper cable with heavy insulation, since it
draws power directly from the positive battery terminal. Select the cable gauge that is appropriate.
The ground cable gauge should be the same as the +12V DC power cable.
Connect the +12V Power terminal to the battery (+) terminal. The in-line fuse must be installed on the
+12V power cable less than 18 inches from the battery. Not using a fuse is dangerous and can lead to a
fire hazard and damage both your car or amplifier. Connect the fuse holder to the battery; however, do not
install the fuse at this time.
Connect the GROUND cable to the terminal directly on the battery (-) position or to the car chassis. Ensure
that all paint or other insulation is removed from around the hole area. Using a self-tapping screw, securely
affix the wire ring terminal and then screw the ring terminal to the chassis ground. Use as short a length of
ground cable as possible to maxximize current to your amplifier.
Many radios and other source units have an output terminal for connection of the remote turn on. This wire
tells the unit to ‘turn on” and “turn off”. Connect the output wire of the source unit to the Crunch under seat
subwoofer REM wire.
To help minimize interference, it is best to run the power cable along the opposite side of the vehicle from
the audio cables.
CAUTION: The Power cables must be connected tightly. A loose connection may cause
malfunctions, interference, noise or distortion.
Once all connections are made and tightened down, it is safe to complete the fuse connection at the
vehicle’s battery.
IMPORTANT!
Before making any connections, disconnect the cars battery until the installation has been
completed to avoid possible damage to the electrical system.

Related product manuals