EasyManua.ls Logo

CTX Mighty Chef TCO21140063 - Wiring Diagrams for 380-400 V European Model

Default Icon
12 pages
Print Icon
To Previous Page IconTo Previous Page
To Previous Page IconTo Previous Page
Loading...
ENGLISH FRANÇAIS ESPAÑOL
page 1 page 25 página 37
DEUTSCH
seite 13
TOP HEATER
BOTTOM HEATER
TC
SSR 1
SSR 2
MENUSELECT
®
CONTROLLER
TFRMR
230Vp
115Vs
TFRMR
230Vp
12Vs
FUSE
0.5A
TSTAT
CONTACTOR
MOTOR
FUSE
0.25A
PICKUP ASSY
CONVEYOR
REVERSING SWITCH
POWER ON/OFF
(I/O) SWITCH
FAN
CC FUSES (2)
5.0A/600V
VAR
VAR
N.C.
TSTAT
N.O.
TC
L2NL1 E
LINE
FILTER
RFI
FILTER
L3
BLACK
WHITE
RED
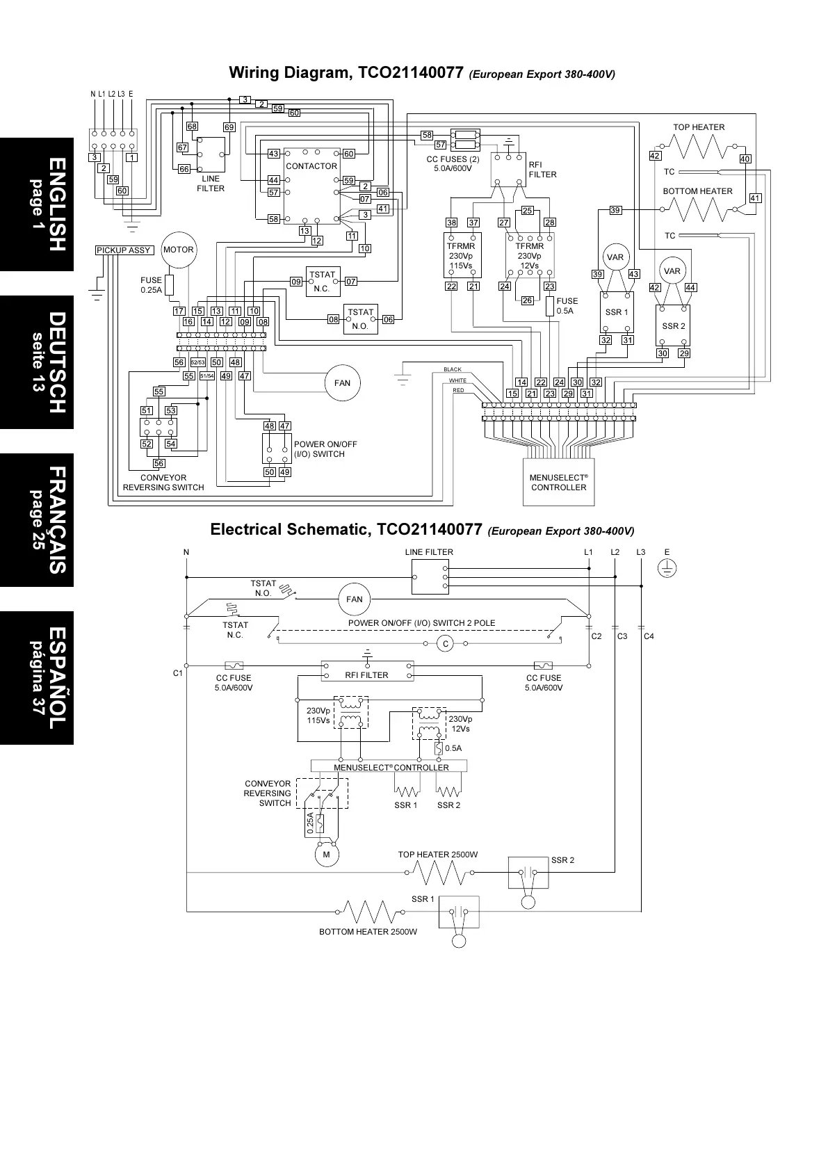
Wiring Diagram, TCO21140077 (European Export 380-400V)
Electrical Schematic, TCO21140077 (European Export 380-400V)
FAN
TSTAT
N.O.
TSTAT
N.C.
POWER ON/OFF (I/O) SWITCH 2 POLE
C
L2
N
C1
C2
230Vp
115Vs
230Vp
12Vs
0.5A
SSR 1
SSR 2
M
0.25A
CONVEYOR
REVERSING
SWITCH
SSR 1 SSR 2
TOP HEATER 2500W
BOTTOM HEATER 2500W
C3 C4
L1 L3 E
RFI FILTER
MENUSELECT
®
CONTROLLER
LINE FILTER
CC FUSE
5.0A/600V
CC FUSE
5.0A/600V

Related product manuals