EasyManua.ls Logo

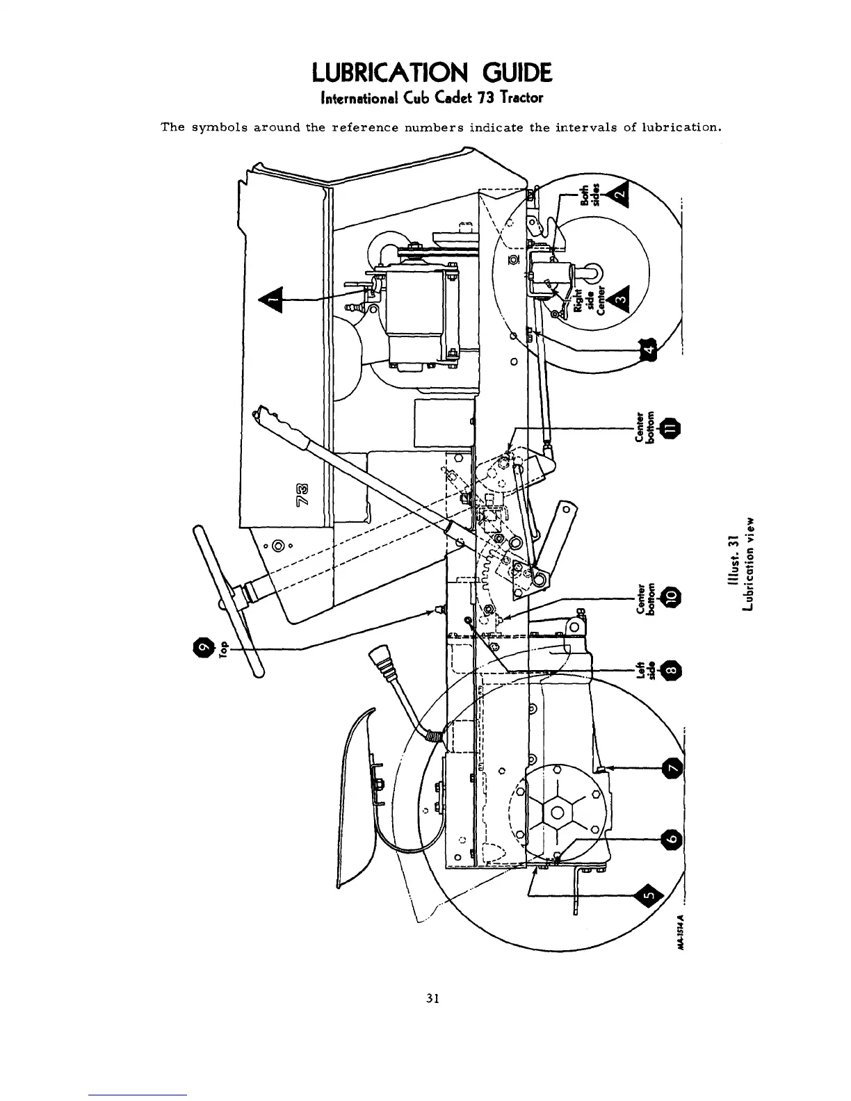
Cub Cadet 126 - Lubrication Guide for Cub Cadet 73; Lubrication Intervals (Every 10 Hours); Lubrication Intervals (Every 30 Hours); Lubrication Intervals (Every 150 Hours)

Cub Cadet 126
48 pages
To Next Page IconTo Next Page
To Next Page IconTo Next Page
To Previous Page IconTo Previous Page
To Previous Page IconTo Previous Page
Loading...

Table of Contents

Related product manuals