EasyManua.ls Logo

Cub Cadet 221 HP - Page 22

Cub Cadet 221 HP
28 pages
Print Icon
To Next Page IconTo Next Page
To Next Page IconTo Next Page
To Previous Page IconTo Previous Page
To Previous Page IconTo Previous Page
Loading...
22
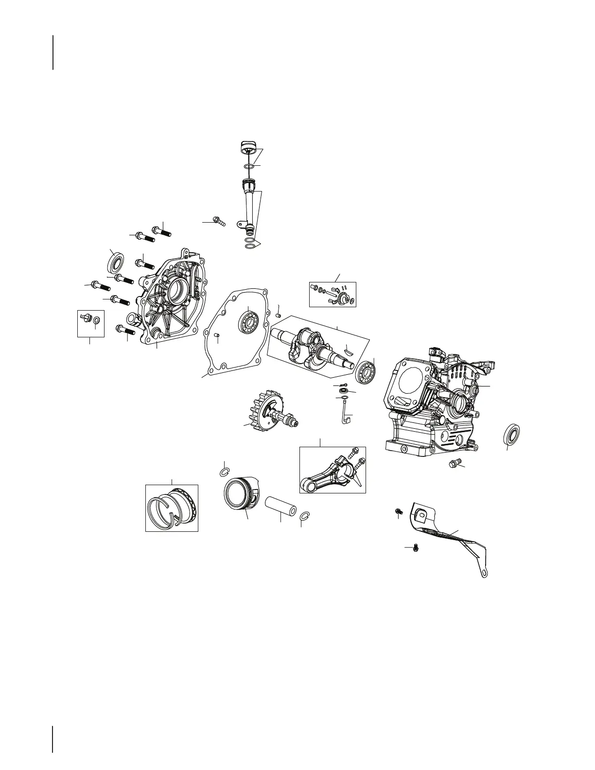
265-JU-11 Crankcase
Ref.
Part Number Description
46 951-116 88 Piston Ring Set
47 951-11632 Piston Pin Snap Ring
48 951-11900 Piston
49 951-11901 Piston Pin
50 710-04915 Bolt M6×12
51 951-11113 Air Shield
52 951-11573 Connecting Rod Assembly
53 951-11356 Governor Arm Shaft
54 736-04461 Washer 5.2×1.9
55 951-11902 Governor Seal
56 714-04074 Cotter Pin
57 951-11575 Camshaft Assy.
58 951-11369 Radial Ball Bearing, 6205
59 951-12102 Crankshaft Assembly Kit
60 951-10307 Woodru Key
61 951-11576 Governor Gear/Shaft Assembly
62 715-04092 Dowel Pin 7×14
63 715- 04089 Dowel Pin 9×14
64 951-11371 Crankcase Cover Gasket
65 951-12125 Cover Comp, Left Crankcase
66 710-04932 Bolt M8×32
67 951-11283 Dipstick Assembly
69 951-11577 O-Ring 15.8×2.5
75
74
73
72
50
66
66
70
66
66
66
66
69
67
66
65
64
63
58
62
61
59
60
58
56
55
54
53
57
52
78
79
76
46
47
48
49
47
50
50
51

Other manuals for Cub Cadet 221 HP

Related product manuals