EasyManua.ls Logo

Cub Cadet Yanmar Lx490 - Page 32

Cub Cadet Yanmar Lx490
230 pages
Print Icon
To Next Page IconTo Next Page
To Next Page IconTo Next Page
To Previous Page IconTo Previous Page
To Previous Page IconTo Previous Page
Loading...
Lx490Lx Series
Notes
32
Copyright 2011 Cub Cadet Yanmar LLC
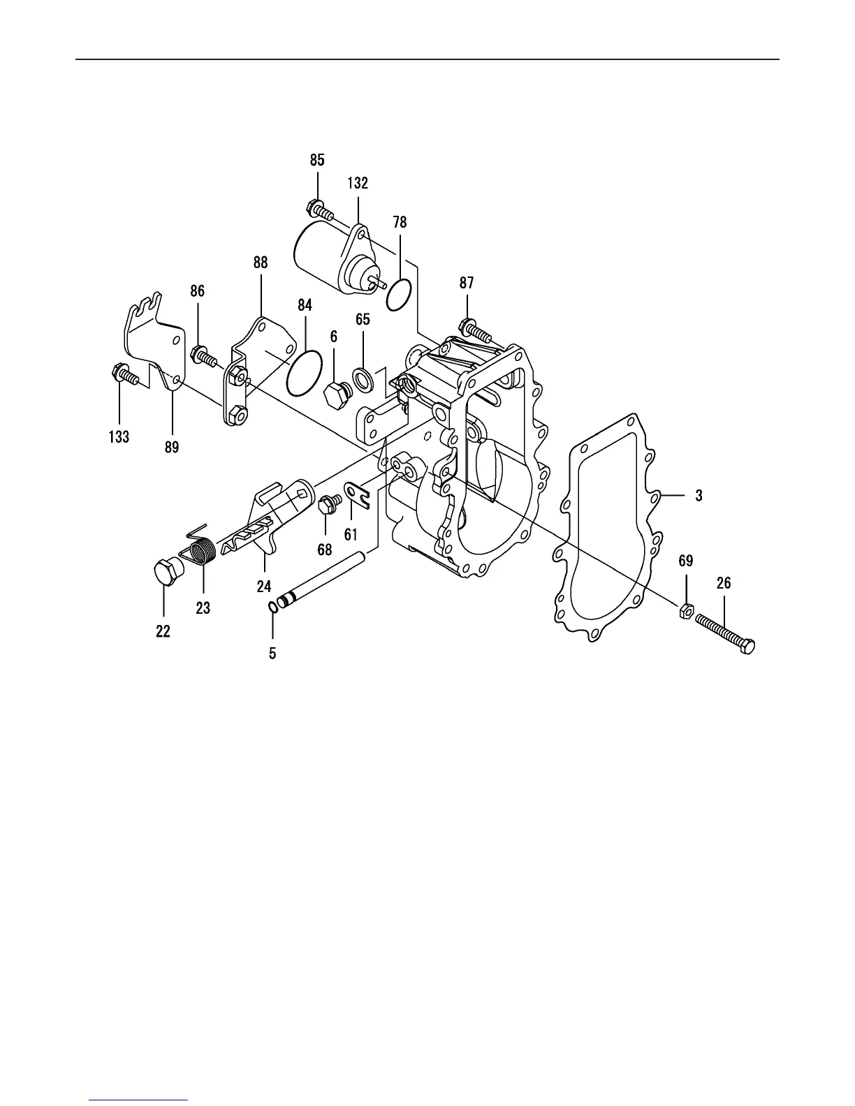
Fig 15. Governor
Fig.15. GOVERNOR
0CNP5-G38300
Remarks
Note: "Effective Machine No." of the
Engine Section is indicated on
the Model Label which is shown
in Fig.4.
*This figure(Governor)is incorporated
in the Fuel Injection Pump (Fig.14).
0CNP5-G38300
15. GOVERNOR
(F)=
(E)=
(D)=
(C)=
(B)=
(A)=4TNV84T-BMRG1
LEV.REF. PARTS NO. DESCRIPTION
RI
Q'TY
(F)(D)(C)(B)(A) (E)
PACKING, CASE158553-6105023 1
O-RING, S6129155-5128025 1
PLUG,M12158553-5193026 1
NUT129255-61410222 1
SPRING, RETURN119807-61420223 1
LEVER ASSY,REGULATOR119852-61440224 1
BOLT, IDLE129155-61460226 1
RETAINER, SHAFT119660-61901261 1
SEAL WASHER 1222190-120002265 1
BOLT 6X 10 PLATED26106-060102268 1
LOCK NUT 626756-060002269 1
O-RING158552-61900278 1
O-RING 1A S-36.024341-000360284 1
BOLT M 6X 14 PLATED26106-060142285 2
BOLT M 6X 14 PLATED26106-060142286 3
BOLT M 6X 20 PLATED26106-060202287 10
COVER, GOVERNOR CASE129044-61060288 1
SUPPORT, WIRE119852-61080289 1
SOLENOID, STOP119653-779502132 1
BOLT M 6X 14 PLATED26106-0601422133 2
(C)Copy Rights YANMAR CO.,LTD.

Related product manuals