EasyManua.ls Logo

Cub Cadet Yanmar Lx490 - Gear Housing

Cub Cadet Yanmar Lx490
230 pages
Print Icon
To Next Page IconTo Next Page
To Next Page IconTo Next Page
To Previous Page IconTo Previous Page
To Previous Page IconTo Previous Page
Loading...
Lx490Lx Series
6
Copyright 2011 Cub Cadet Yanmar LLC
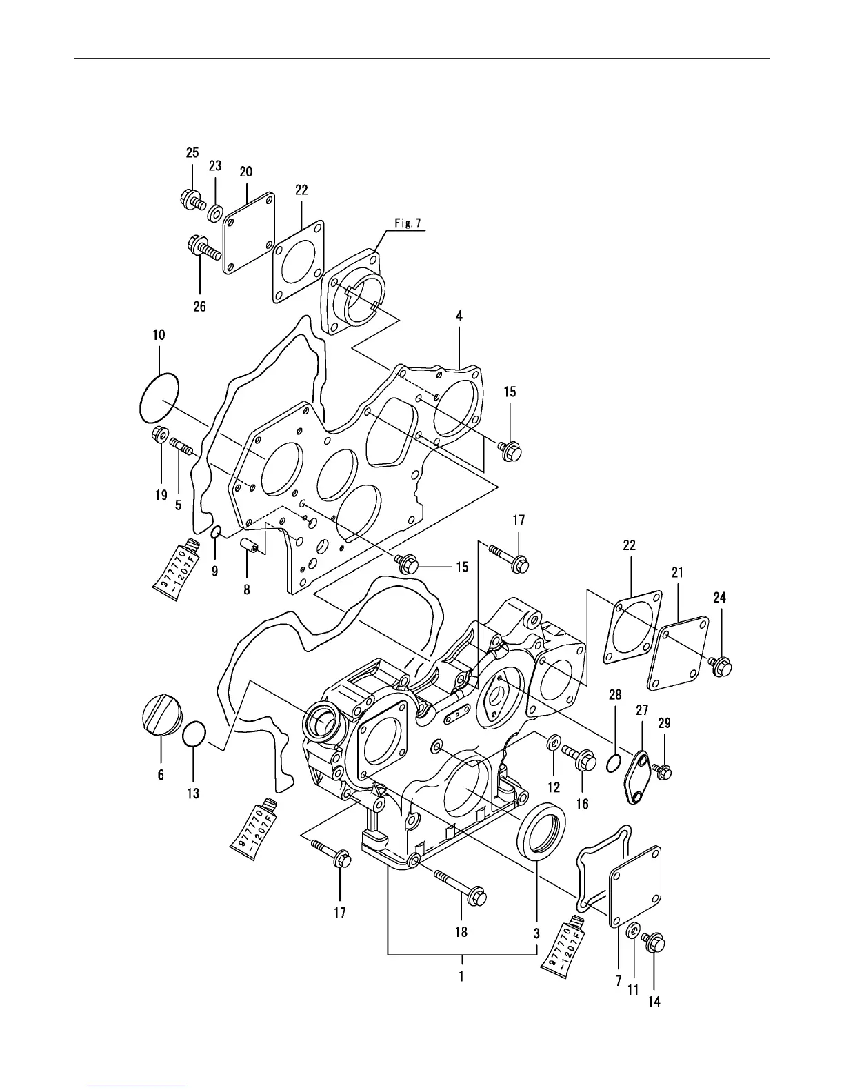
Fig 2. Gear Housing
Fig.2. GEAR HOUSING
0CNP5-G38300
Remarks
Note: "Effective Machine No." of the
Engine Section is indicated on
the Model Label which is shown
in Fig.4.
0CNP5-G38300
2. GEAR HOUSING
(F)=
(E)=
(D)=
(C)=
(B)=
(A)=4TNV84T-BMRG1
LEV.REF. PARTS NO. DESCRIPTION
RI
Q'TY
(F)(D)(C)(B)(A) (E)
HOUSING ASSY, GEAR729008-0150011 1
SEAL, OIL119934-0180023 1
FLANGE, GEAR CASE129008-0152014 1
STUD, M8X25119802-0156115 3
COVER, FILLER124160-0175116 1
COVER, PUMP124240-0187117 1
PIPE, KNOCK129795-0195018 2
O-RING P16119609-3204019 2
O-RING, F.I.PUMP121850-51960110 1
SEAL WASHER 8S22190-080002111 4
SEAL WASHER 8S22190-080002112 1
O-RING 1A P-32.024311-000320113 1
BOLT M 8X 16 PLATED26106-080162114 4
BOLT M 8X 16 PLATED26106-080162115 3
BOLT M 8X 30 PLATED26106-080302116 1
BOLT M 8X 55 PLATED26106-080552117 10
BOLT M 8X 85 PLATED26106-080852118 3
NUT, M826306-080002119 3
COVER, PUMP124240-01871120 1
COVER, PUMP124240-01871121 1
GASKET, PUMP124240-01883122 2
SEAL WASHER 8S22190-080002123 1
BOLT M 8X 16 PLATED26106-080162124 4
BOLT M 8X 20 PLATED26106-080202125 1
BOLT M 8X 30 PLATED26106-080302126 3
COVER, TACHOMETER121023-01551127 1
O-RING 1A S-24.024341-000240128 1
BOLT M 6X 16 PLATED26106-060162129 2
(C)Copy Rights YANMAR CO.,LTD.

Related product manuals