EasyManua.ls Logo

Cumberland C80M - 220 V Model Wiring

Default Icon
58 pages
Print Icon
To Next Page IconTo Next Page
To Next Page IconTo Next Page
To Previous Page IconTo Previous Page
To Previous Page IconTo Previous Page
Loading...
22 PNEG-308 Purafire
6. Wiring Diagrams
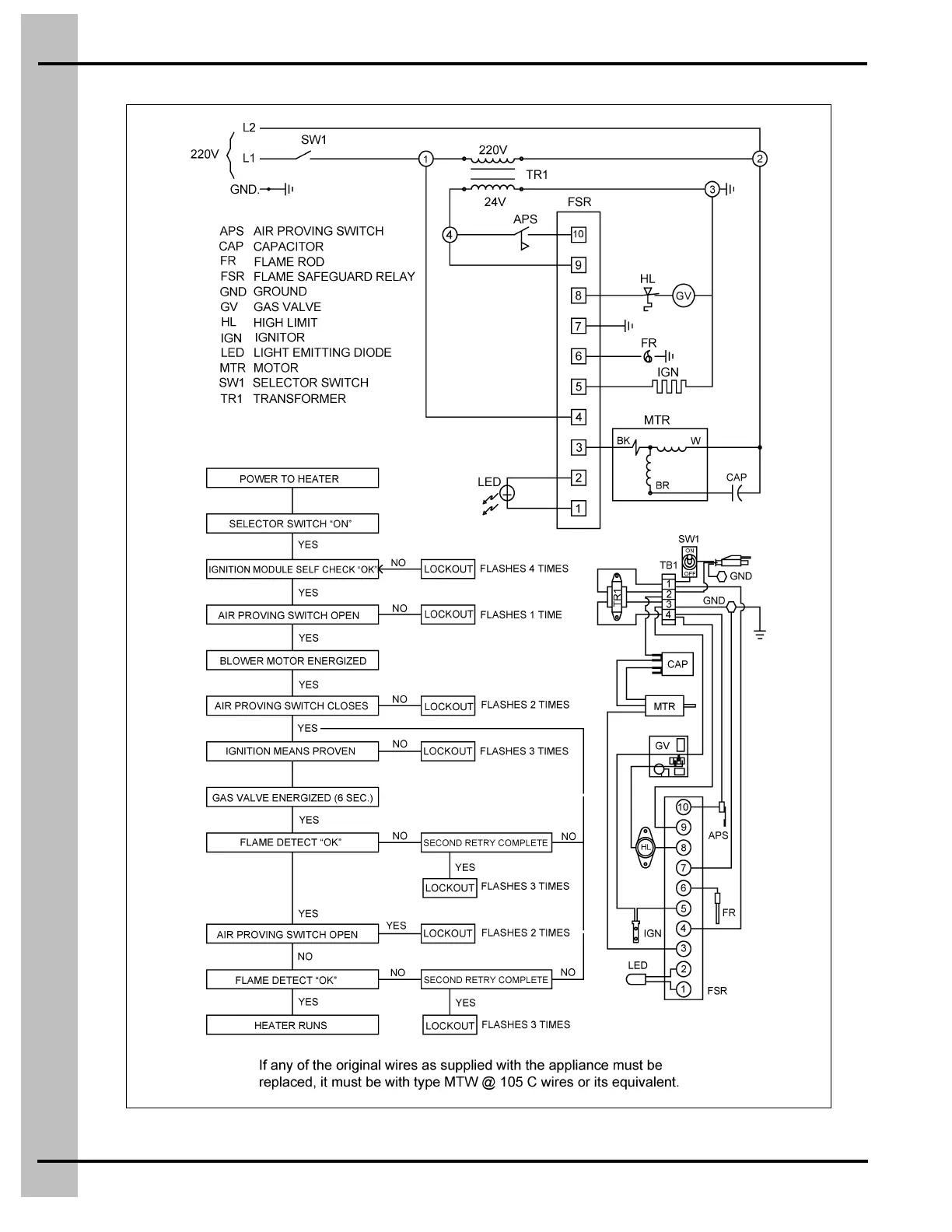
220V Models
Figure 6B

Related product manuals