EasyManua.ls Logo

DAB ESC plus 3M - Page 54

DAB ESC plus 3M
Print Icon
To Next Page IconTo Next Page
To Next Page IconTo Next Page
To Previous Page IconTo Previous Page
To Previous Page IconTo Previous Page
Loading...
51

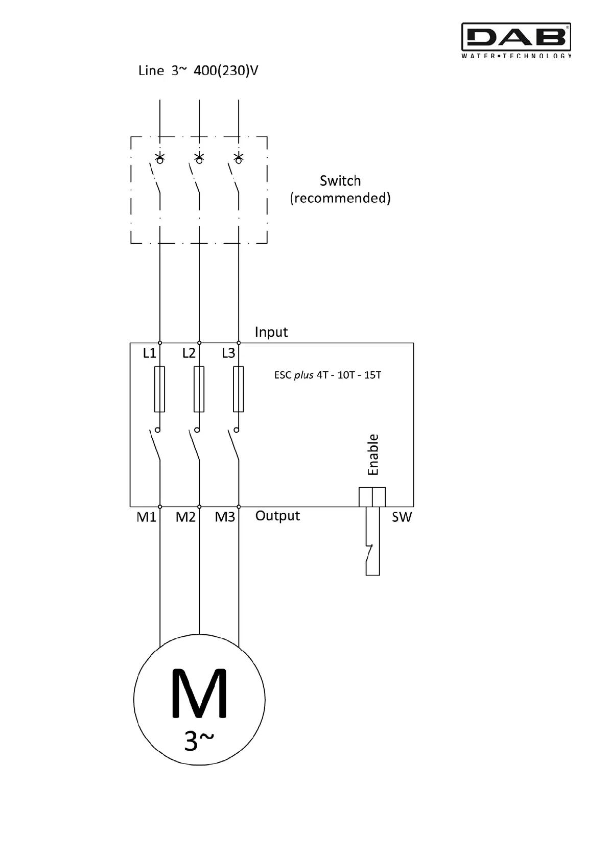
FIG. 5: THREE PHASE MOTOR/PUMP

Related product manuals