EasyManua.ls Logo

Dacor OB36 - Page 24

Dacor OB36
55 pages
Print Icon
To Next Page IconTo Next Page
To Next Page IconTo Next Page
To Previous Page IconTo Previous Page
To Previous Page IconTo Previous Page
Loading...
19
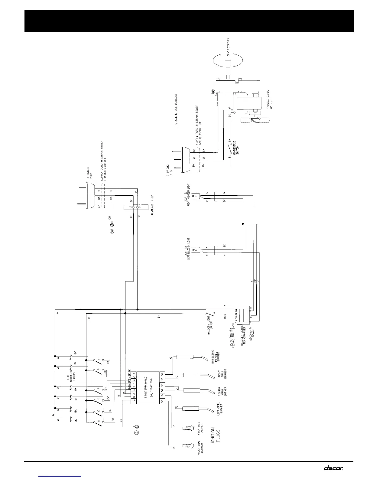
Wiring Diagrams


Related product manuals