EasyManua.ls Logo

Dacor Preference SGM466B - Page 15

Dacor Preference SGM466B
16 pages
Print Icon
To Next Page IconTo Next Page
To Next Page IconTo Next Page
To Previous Page IconTo Previous Page
To Previous Page IconTo Previous Page
Loading...
13
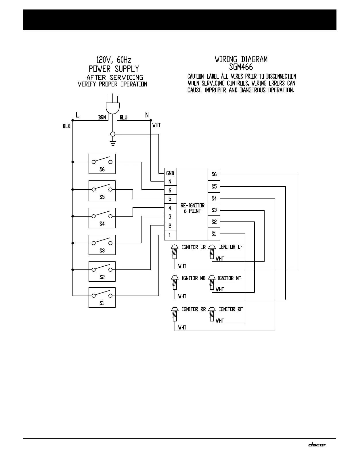
Wiring Diagrams

Related product manuals