EasyManua.ls Logo

DAEWOO ELECTRONICS DSB-300L - Refrigeration Cycle Diagram

DAEWOO ELECTRONICS DSB-300L
29 pages
Print Icon
To Next Page IconTo Next Page
To Next Page IconTo Next Page
To Previous Page IconTo Previous Page
To Previous Page IconTo Previous Page
Loading...
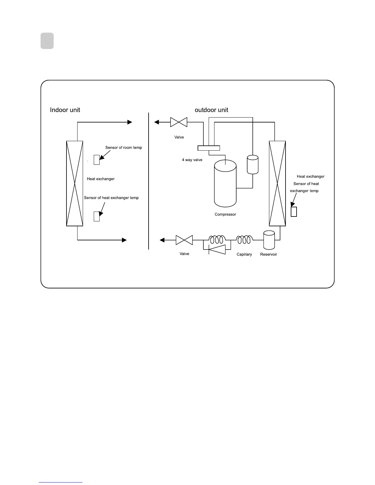
Heating and cooling(DSB-300LH)
6
4
Refrigeration cycle diagram

Related product manuals