EasyManua.ls Logo

DAEWOO ELECTRONICS MINI - Page 41

DAEWOO ELECTRONICS MINI
67 pages
Print Icon
To Next Page IconTo Next Page
To Next Page IconTo Next Page
To Previous Page IconTo Previous Page
To Previous Page IconTo Previous Page
Loading...
40
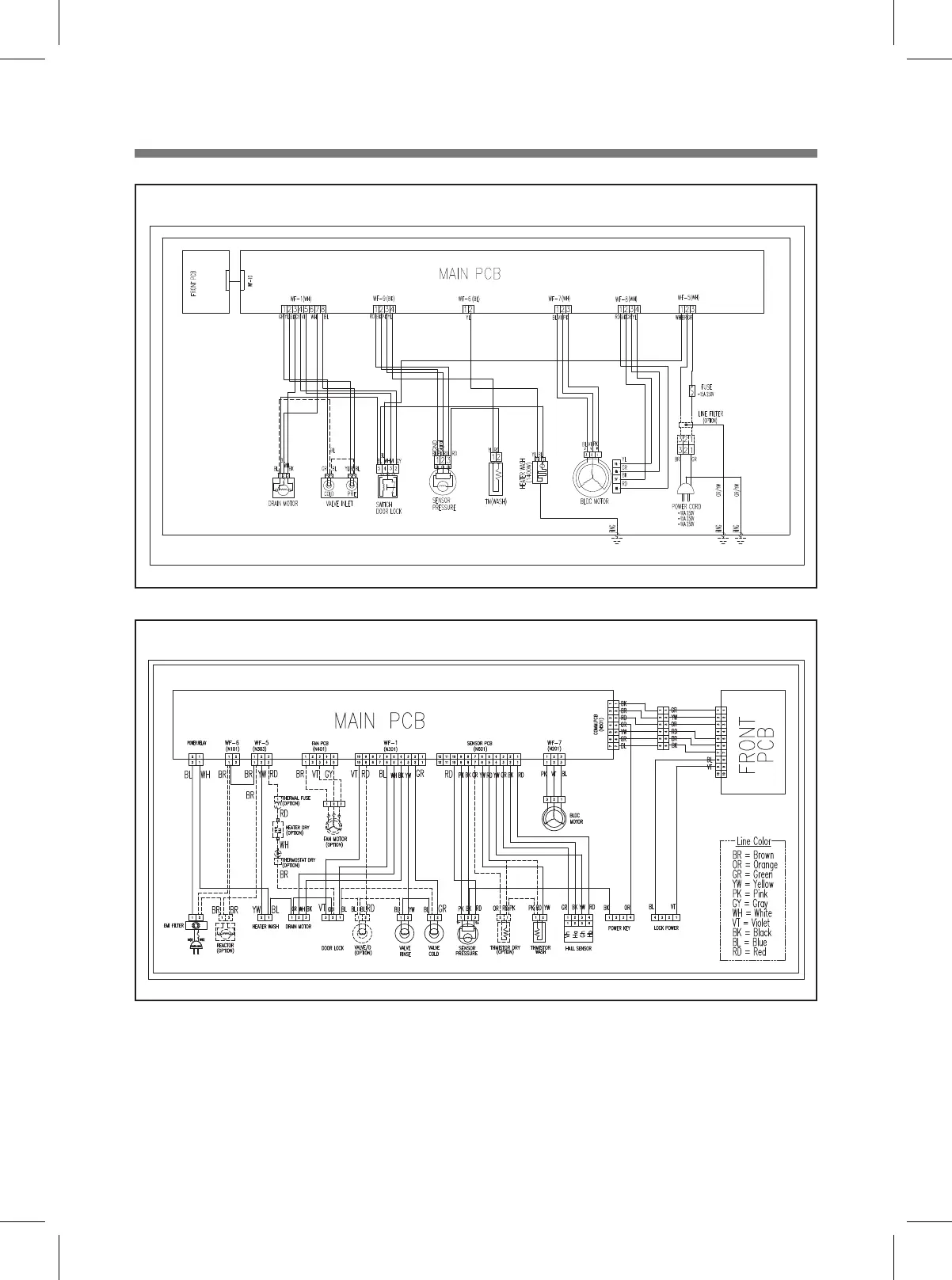
5. Wiring Diagram
COMBO
WASH
MINI 2.0_COMBO,WASH_영문_SM.indd 40 2017. 8. 25. 오전 11:16

Related product manuals