EasyManua.ls Logo

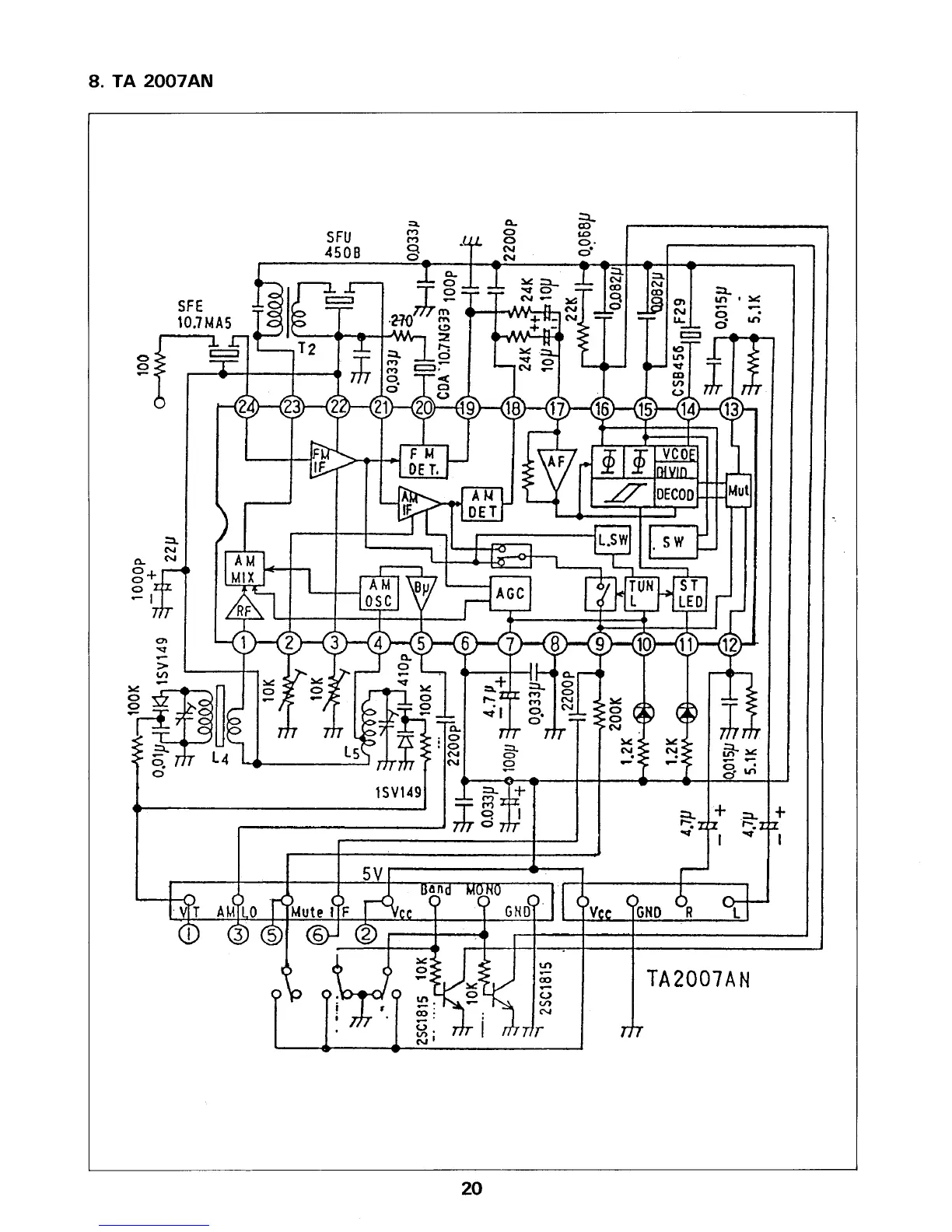
Daewoo AMI-960 - CXA 1081 M IC Diagram; CXA 1081 M CD RF IC Block Diagram

Daewoo AMI-960
125 pages
Print Icon
To Next Page IconTo Next Page
To Next Page IconTo Next Page
To Previous Page IconTo Previous Page
To Previous Page IconTo Previous Page
Loading...

Related product manuals