EasyManua.ls Logo

Daewoo AMI-960 - Circuit Diagrams: CD Section; CD Section Circuit Diagram

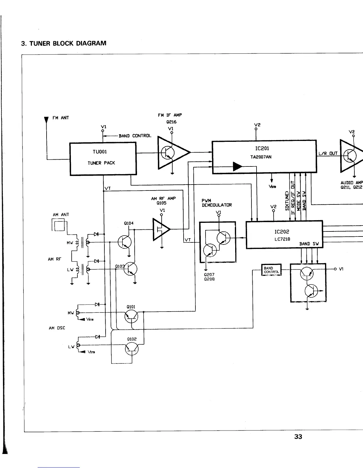
Daewoo AMI-960
125 pages
Print Icon
To Next Page IconTo Next Page
To Next Page IconTo Next Page
To Previous Page IconTo Previous Page
To Previous Page IconTo Previous Page
Loading...

Related product manuals