EasyManua.ls Logo

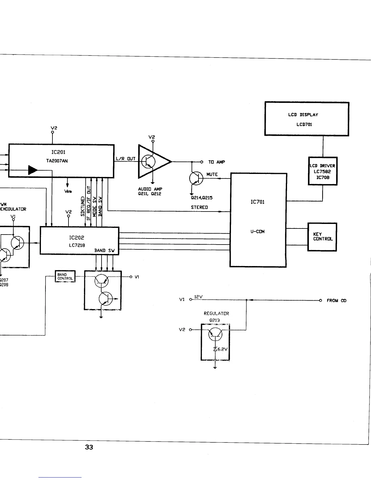
Daewoo AMI-960 - Circuit Diagrams: Tuner Section; Tuner Section Circuit Diagram

Daewoo AMI-960
125 pages
Print Icon
To Next Page IconTo Next Page
To Next Page IconTo Next Page
To Previous Page IconTo Previous Page
To Previous Page IconTo Previous Page
Loading...

Related product manuals