EasyManua.ls Logo

Daewoo CN-150 - Page 4

Daewoo CN-150
35 pages
Print Icon
To Next Page IconTo Next Page
To Next Page IconTo Next Page
To Previous Page IconTo Previous Page
To Previous Page IconTo Previous Page
Loading...
- 5 -
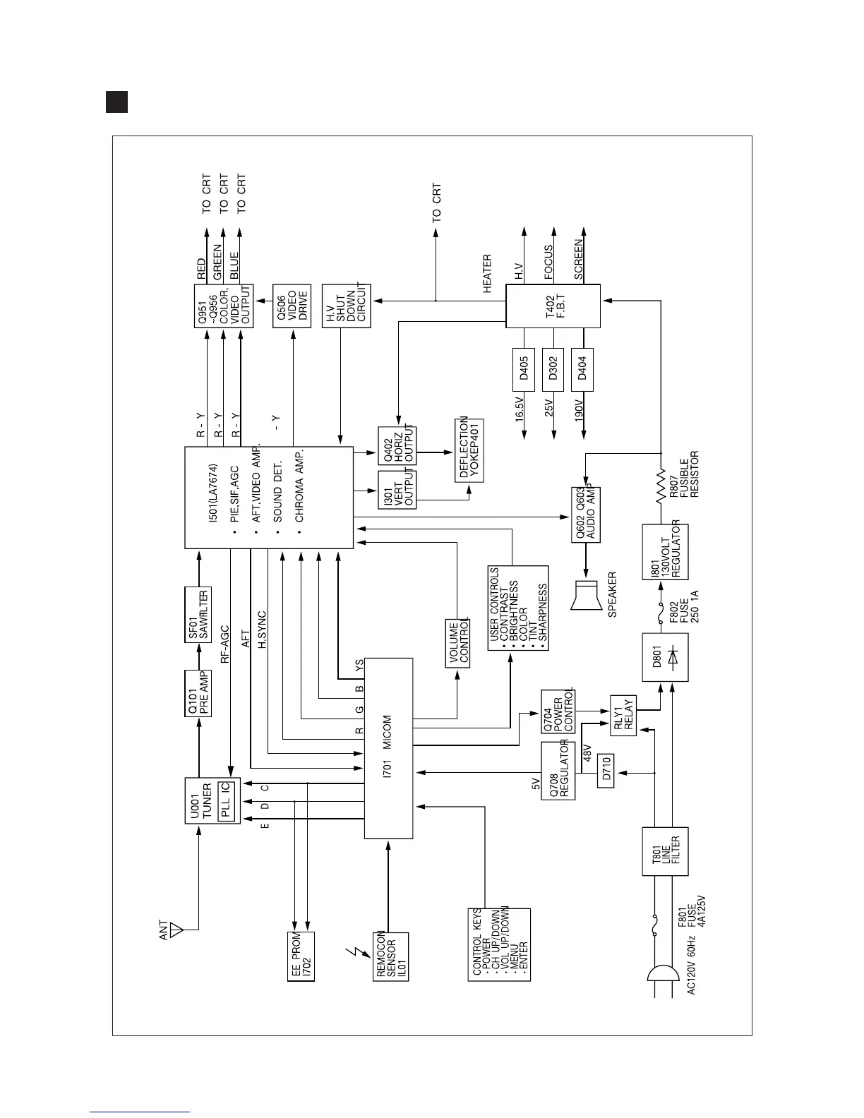
BLOCK DIAGRAM

Related product manuals