EasyManua.ls Logo

Daewoo DAGFS-80 - Page 29

Daewoo DAGFS-80
91 pages
Print Icon
To Next Page IconTo Next Page
To Next Page IconTo Next Page
To Previous Page IconTo Previous Page
To Previous Page IconTo Previous Page
Loading...
28
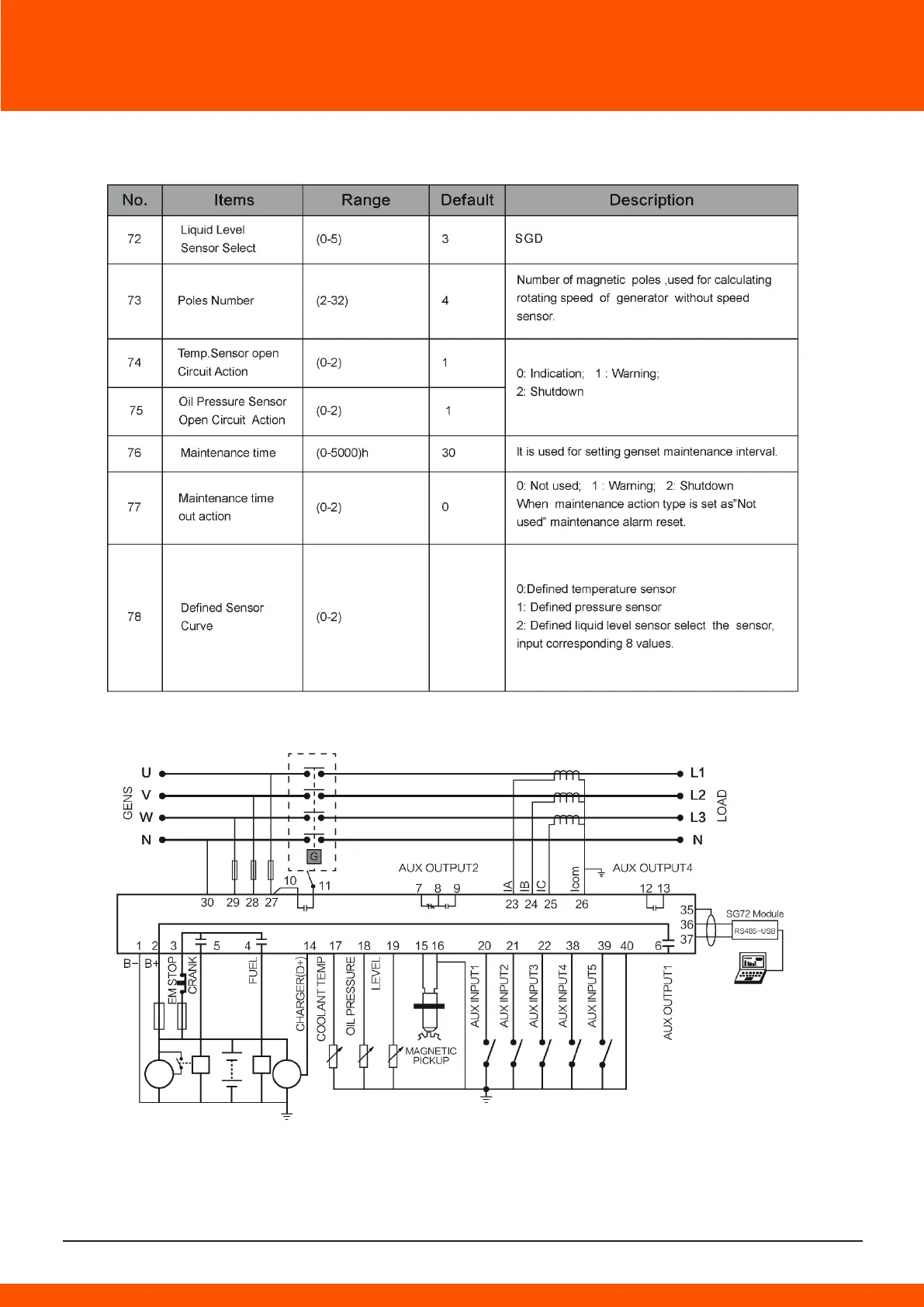
TYPICAL APPLICATIONS

Related product manuals