EasyManua.ls Logo

Daewoo DTY-21U7 - Block Diagrams

Daewoo DTY-21U7
85 pages
Print Icon
To Next Page IconTo Next Page
To Next Page IconTo Next Page
To Previous Page IconTo Previous Page
To Previous Page IconTo Previous Page
Loading...
CP-520/520A/520F Service Manual
DTV R&D Europe
17
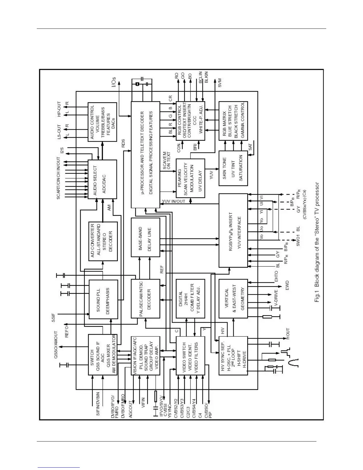
4.1.2. BLOCK DIAGRAM

Table of Contents

Related product manuals