EasyManua.ls Logo

Daewoo DWF-1089 - Page 27

Daewoo DWF-1089
38 pages
Print Icon
To Next Page IconTo Next Page
To Next Page IconTo Next Page
To Previous Page IconTo Previous Page
To Previous Page IconTo Previous Page
Loading...
30
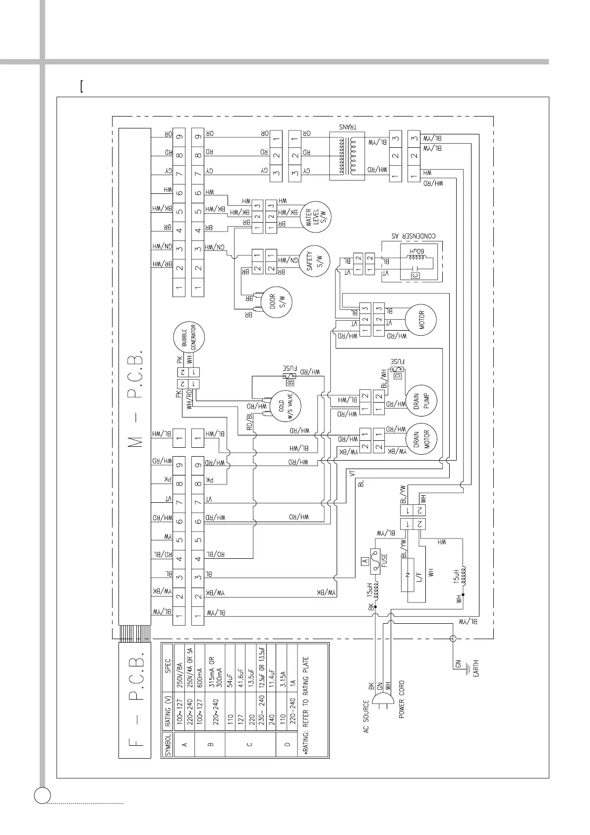
WIRING DIAGRAM
§§
è
[Pump, Single Valve]

Related product manuals