EasyManua.ls Logo

Daewoo DWF-178L - Page 31

Daewoo DWF-178L
42 pages
Print Icon
To Next Page IconTo Next Page
To Next Page IconTo Next Page
To Previous Page IconTo Previous Page
To Previous Page IconTo Previous Page
Loading...
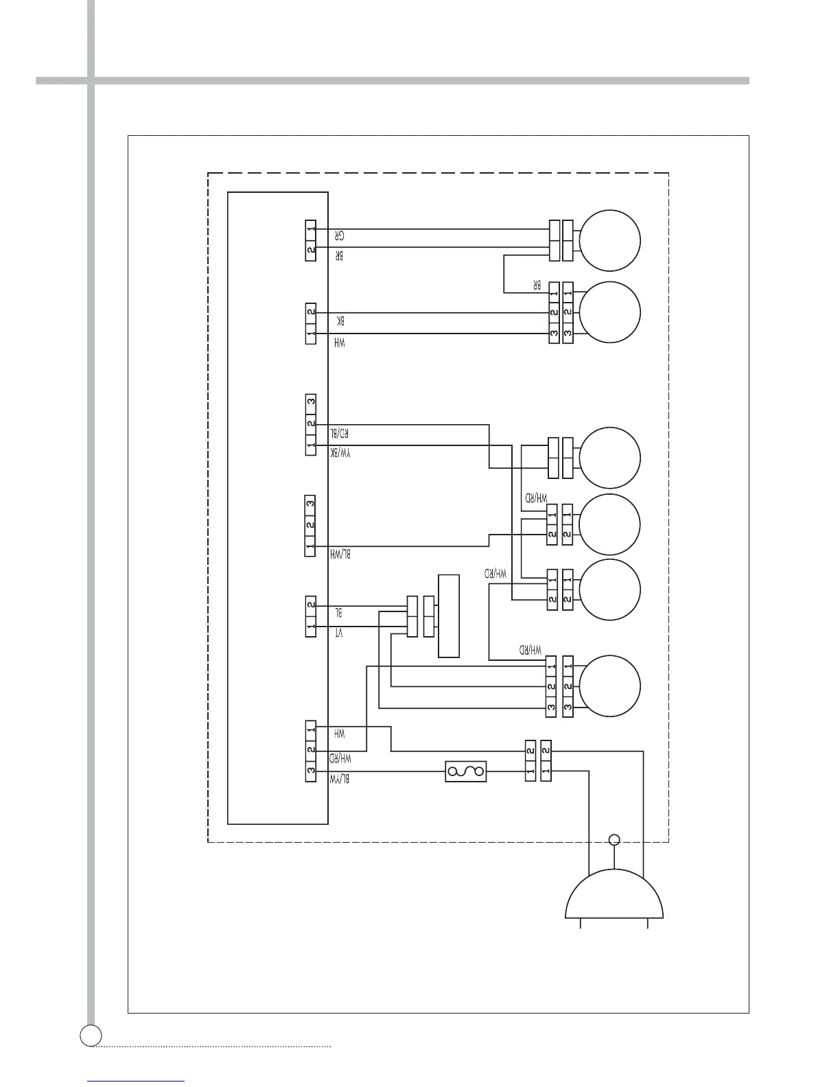
WIRING DIAGRAM
30
WIRING DIAGRAM (220V~, PUMP, COLD ONLY)
WH
PUMP
DRAIN
MAIN & FRONT PCB ASS'Y
POWER CORD
220V~
FUSE
RD
VT
BL
WH
YW
CONDENSOR
COLD
VALVE
MOTOR
MOTOR
DRAIN
PRESSURE
SENSOR
SAFETY
SWITCH

Related product manuals