EasyManua.ls Logo

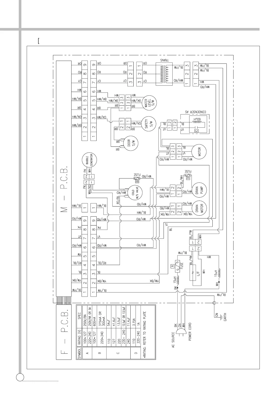
Daewoo DWF-6010 - [Pump, Single Valve] Wiring Diagram

Daewoo DWF-6010
38 pages
Print Icon
To Next Page IconTo Next Page
To Next Page IconTo Next Page
To Previous Page IconTo Previous Page
To Previous Page IconTo Previous Page
Loading...
30
WIRING DIAGRAM
§§
è
[Pump, Single Valve]

Other manuals for Daewoo DWF-6010

Related product manuals