EasyManua.ls Logo

Daewoo ERF-310 - Page 48

Daewoo ERF-310
48 pages
Print Icon
To Previous Page IconTo Previous Page
To Previous Page IconTo Previous Page
Loading...
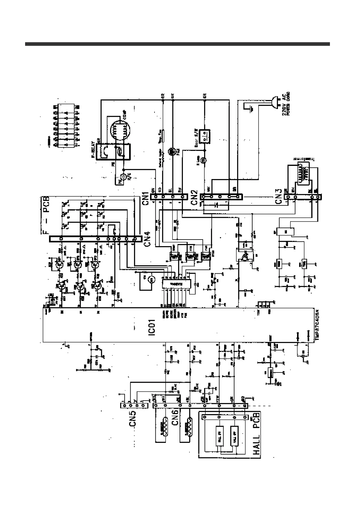
13. MAIN PCB DIA -
4 8

Related product manuals