EasyManua.ls Logo

Daewoo ERF-310A - Page 26

Daewoo ERF-310A
27 pages
Print Icon
To Next Page IconTo Next Page
To Next Page IconTo Next Page
To Previous Page IconTo Previous Page
To Previous Page IconTo Previous Page
Loading...
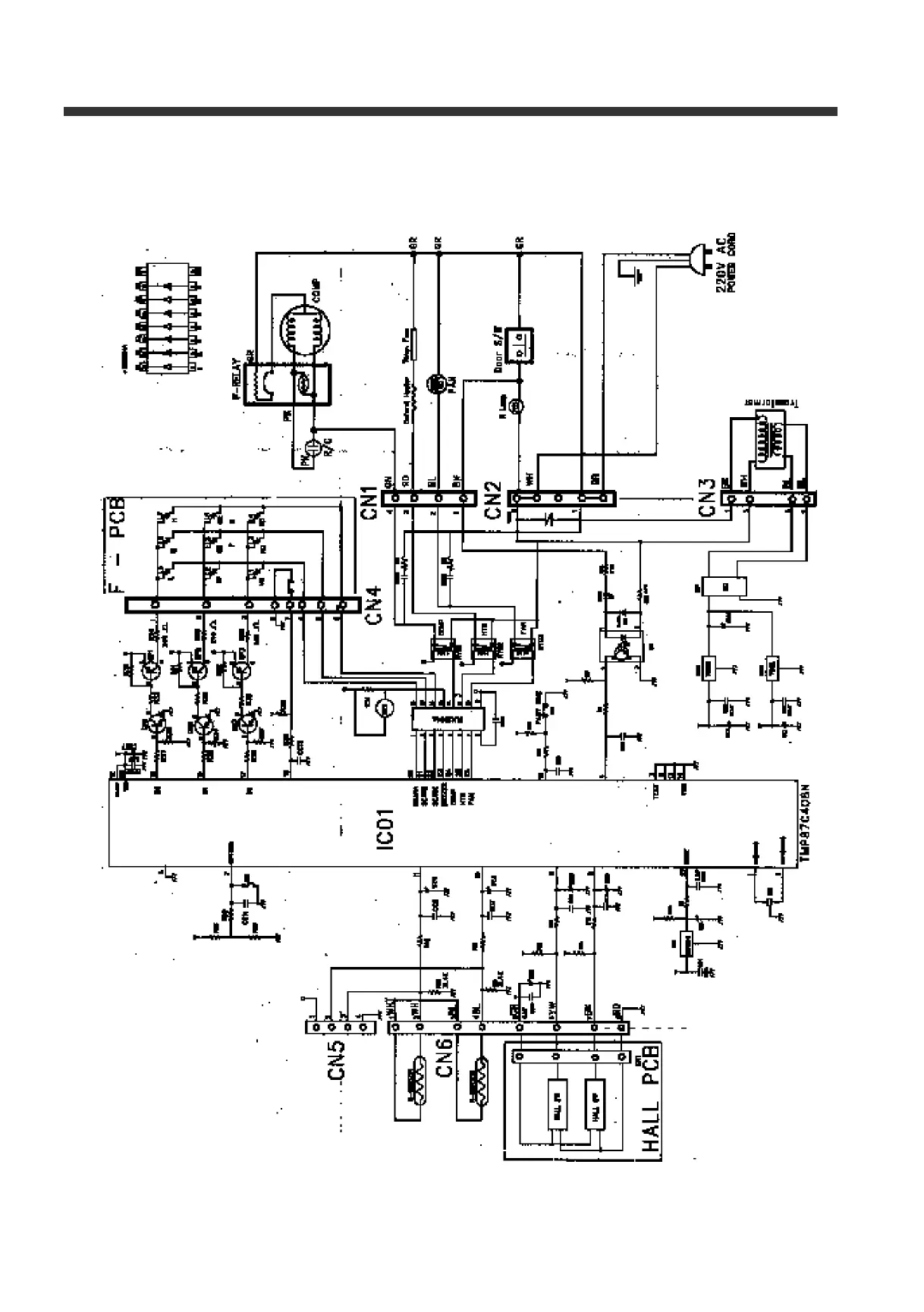
13. MAIN PCB DIA -
26

Related product manuals