EasyManua.ls Logo

Daewoo FRS-2031 - Page 45

Daewoo FRS-2031
78 pages
Print Icon
To Next Page IconTo Next Page
To Next Page IconTo Next Page
To Previous Page IconTo Previous Page
To Previous Page IconTo Previous Page
Loading...
44
OPERATION AND FUCTIONS
1) Cut J18 on M-PCB, then temp. is lowered -2 than [Mid OFF point].
2) In addition to 1) action, cut J22 on M-PCB, then the temp. is lowered -1 more.
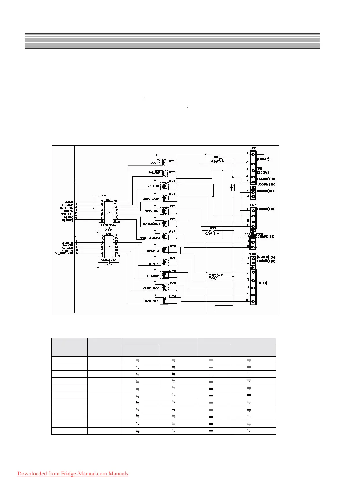
Relay Function
Circuit Diagram
How it works ;
ON Condition OFF Condition
Control
Control
Method
MICOM
PORT
IC 2 Output
PIN
MICOM
PORT
IC03 Output PIN
COMP REPLAY
REPLAY
REPLAY
REPLAY
REPLAY
REPLAY
REPLAY
REPLAY
REPLAY
REPLAY
REPLAY
#1 3.7V #10 0.7V #1 0V #10 12V
R-LAMP
#4 3.7V #11 0.7V #4 0V #11 12V
DIS-LAMP
#3 3.7V #12 0.7V #3 0V #12 12V
DISP-SOL
#5 3.7V #13 0.7V #5 0V #13 12V
WATER(ICE)
#1 3.7V #10 0.7V #1 0V #10 12V
WATER(DIS)
#4 3.7V #11 0.7V #4 0V #11 12V
GEAR-M
#3 3.7V #12 0.7V #3 0V #12 12V
D-HTR
#5 3.7V #13 0.7V #5 0V #13 12V
F-LAMP
#4 3.7V #11 0.7V #4 0V #11 12V
CUBE-SOL
#4 3.7V #11 0.7V #4 0V #11 12V
W /S HTR
#2 3.7V #14 0.7V #2 0V #14 12V
C
C
* In case refrigeration of refrigerator compartment is poor or insufficient though comp. and R-fan
operate in normal way ;
Downloaded from Fridge-Manual.com Manuals

Other manuals for Daewoo FRS-2031

Related product manuals