EasyManua.ls Logo

Daewoo FRS-2031 - Fan Function

Daewoo FRS-2031
78 pages
Print Icon
To Next Page IconTo Next Page
To Next Page IconTo Next Page
To Previous Page IconTo Previous Page
To Previous Page IconTo Previous Page
Loading...
45
OPERATION AND FUCTIONS
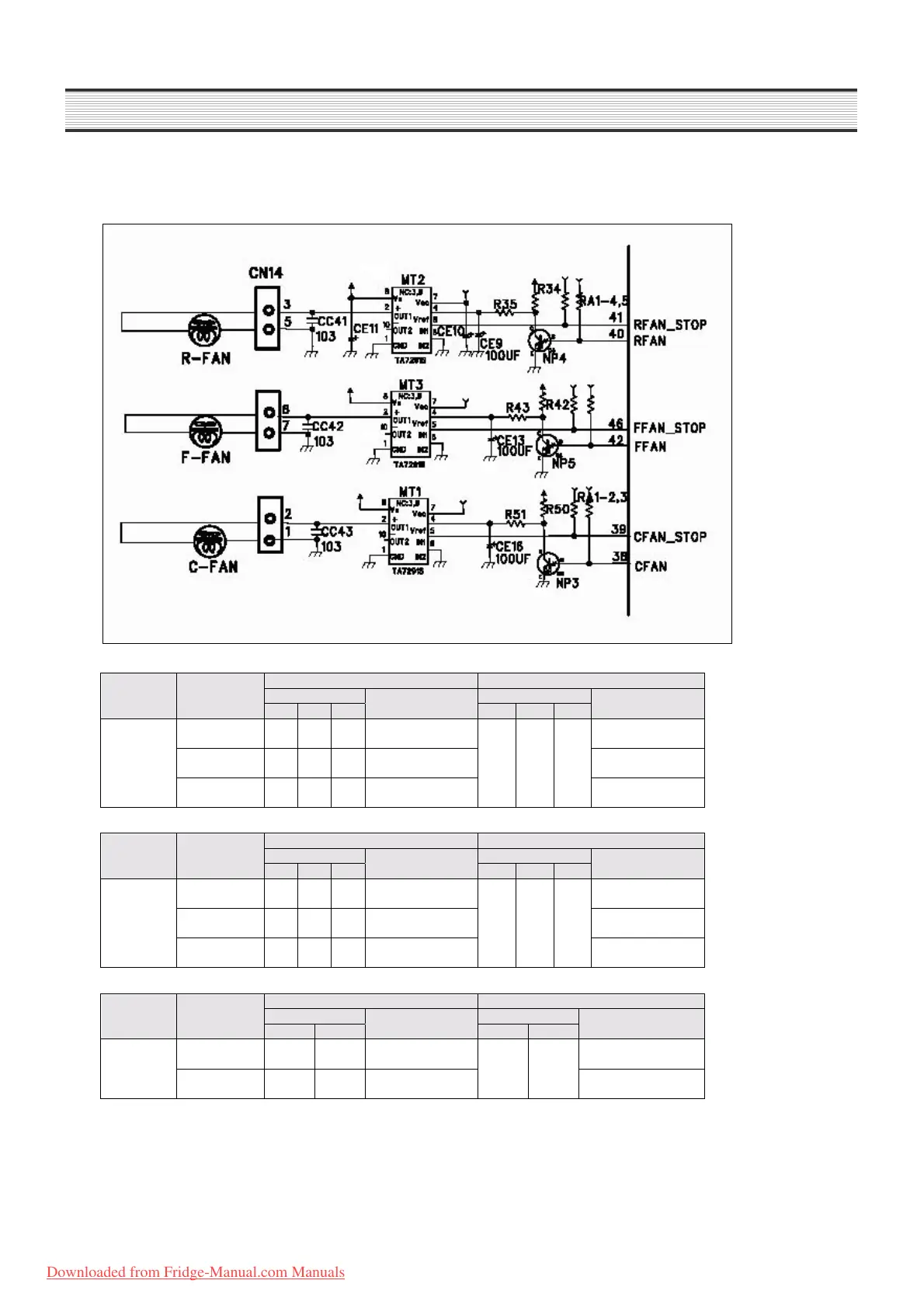
Fan Function
How it works ;
ON Condition OFF Condition
MICOM Port MICOM Port
Control
Object
Control
Method
31 32 33
IC Collector
31 32 33
IC Collector
Low (10V)
operation
5V 0V 0V 10.35V 0V
Mid (12V)
operation
0V 5V 0V 12.19V 0V
F-FAN
High (14V)
operation
0V 0V 0V 14.38V
5V 5V 5V
0V
ON Condition OFF Condition
MICOM PORT MICOM Port
Control
Object
Control
Method
39 40 41
IC Collector
39 40 41
IC Collector
Low (10V)
operation
0V 5V 5V 10.38V 0V
Mid (12V)
operation
5V 0V 5V 12.24V 0V
R-FAN
High (14V)
operation
5V 5V 5V 14.42V
0V 0V 0V
0V
ON Condition OFF Condition
MICOM Port MICOM Port
Control
Object
Control
Method
37 38
IC Collector
37 38
IC Collector
High (14V)
operation
0V 0V 14.54V 0V
C-FAN
Low (10V)
operation
5V 0V 10.45V
5V 5V
0V
Downloaded from Fridge-Manual.com Manuals

Other manuals for Daewoo FRS-2031

Related product manuals