EasyManua.ls Logo

Daewoo KOR-630A0A - Page 27

Daewoo KOR-630A0A
39 pages
Print Icon
To Next Page IconTo Next Page
To Next Page IconTo Next Page
To Previous Page IconTo Previous Page
To Previous Page IconTo Previous Page
Loading...

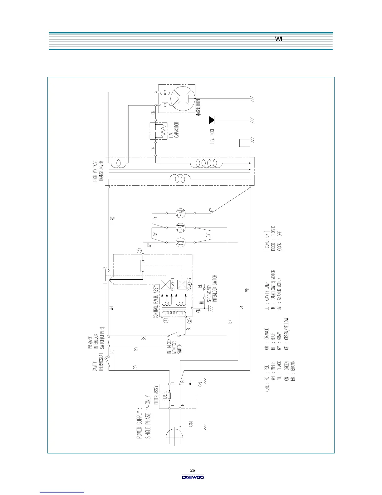
WIRING DIAGRAM
2) KOR- 630A1A/860A1A

Related product manuals